lemon-mirror:
Home >> Lincoln >> 2005 >> LS V8-3.9L VIN A >> Repair and Diagnosis >> Body and Frame >> Body Control Systems >> Body Control Module >> Service and Repair >> Rear Electronic Module (REM)

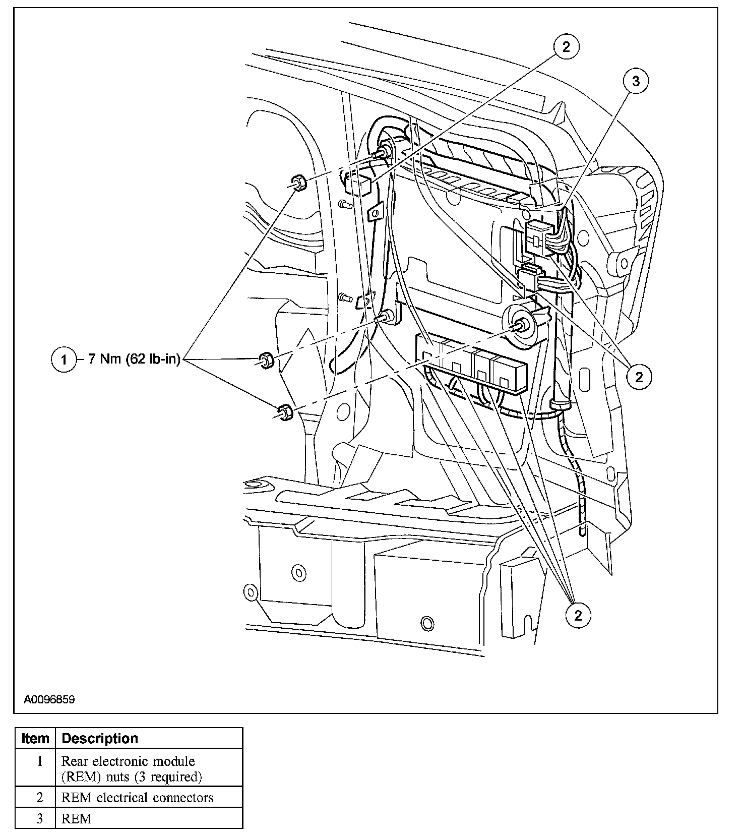
Rear Electronic Module (REM)

REAR ELECTRONIC MODULE (REM)







Removal and Installation

1. CAUTION:
- Prior to the removal of the module, it is necessary to upload module configuration information to the appropriate diagnostic equipment. This information needs to be downloaded into the new module once installed.
- Electronic modules are sensitive to static electrical charges. If exposed to these charges, damage may result.


Disconnect the battery.

2. Position the RH rear luggage compartment trim panel aside.
3. Remove the 3 REM nuts.
- To install, tighten to 7 NM (62 lb-in).

4. NOTE: It may be necessary to position the REM rearward to access some of the connectors.

Disconnect the 7 REM electrical connectors.

5. Remove the REM.

6. NOTE: Once the REM is installed, it is necessary to download the module configuration information from the diagnostic tool into the new module.

To install, reverse the removal procedure.