lemon-mirror:
Home >> Lincoln >> 2003 >> LS V8-3.9L VIN A >> Repair and Diagnosis >> Specifications >> Mechanical Specifications >> Engine >> System Specifications >> Torque Specifications

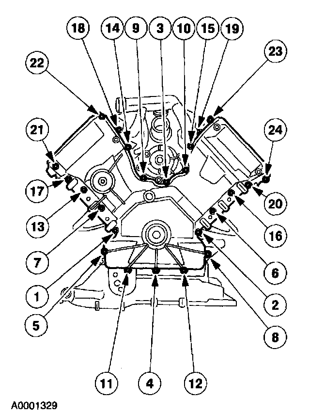
Torque Specifications

Torque Specifications

Part 1 Of 4:




Part 2 Of 4:




Part 3 Of 4:




Part 4 Of 4:






Right Side:




Left Side:





Cylinder Head bolts.
Stage 1 bolts 1 through 10 to 20 Nm (15 ft. lbs.)
Stage 2 bolts 1 through 10 to 35 Nm (26 ft. lbs.)
Stage 3 bolts 1 through 10 to 45 Nm (33 ft. lbs.) and an additional 90 degrees
Stage 4 bolts 1 through 10 an additional 90 degrees
Stage 5 bolts 11 and 12 to 20 Nm (15 ft. lbs.)
Stage 6 bolts 11 and 12 an additional 90 degrees





Cylinder Head bolts
Stage 1 20 Nm (15 ft. lbs.).
Stage 2 90 degrees.





Intake manifold Bolts

Left Side:




Right Side:





Camshaft Bearing Caps bolts.
Stage 1 Hand-tighten
Stage 2 6 Nm (53 inch lbs.)
Stage 3 90 degrees
Crankshaft Pulley bolt.
Stage 1 80 Nm (59 ft. lbs.)
Stage 2 Loosen the bolt two complete turns
Stage 3 50 Nm (37 ft. lbs.)
Stage 4 90 degrees





Flex Plate bolts.
Stage 1 15 Nm (11 ft. lbs.)
Stage 2 110 Nm (81 ft. lbs.)
Oil Pump bolts.
Stage 1 6 Nm (53 inch lbs.)
Stage 2 90 degrees

RH:




LH:





Exhaust manifold nuts.
Coolant Pump Bolts
Stage 1 8 Nm (71 inch lbs.)
Stage 2 90 degrees
Coolant Pump Pulley Bolts
Stage 1 10 Nm (89 inch lbs.)
Stage 2 45 degrees





Engine front cover bolts.
Stage 1 5 Nm (44 inch lbs.)
Stage 2 10 Nm (89 inch lbs.)





Oil pan bolts.
Stage 1 5 Nm (44 inch lbs.)
Stage 2 12 Nm (9 ft. lbs.)