lemon-mirror:
Home >> Lincoln >> 2003 >> LS V8-3.9L VIN A >> Repair and Diagnosis >> Powertrain Management >> Computers and Control Systems >> Transmission Position Sensor/Switch >> Service and Repair

Transmission Position Sensor/Switch: Service and Repair

Digital Transmission Range (TR) Sensor

Special Tools:





Special Tool(s)

Removal and Installation
1. With the vehicle in NEUTRAL, position it on a hoist.





2. Remove the RH front exhaust heat shield.





3. Remove the LH front exhaust heat shield.
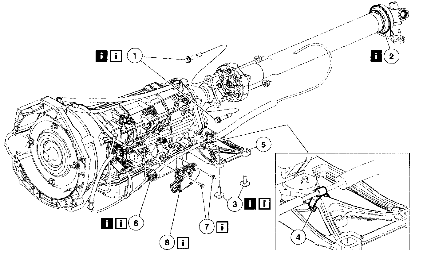
4. Remove the components in the order indicated in the illustration and table.











5. To install, reverse the removal procedure.
6. Refill the transmission with the specified fluid.
7. Verity that the shift cable is adjusted correctly.

Item 1: Output Shaft Flange Coupler Removal Note





1. CAUTION: Index-mark (color paint) the bolts, washers, nuts and the flex coupling to the transmission flange to make sure they are installed in the same location. Components that are not assembled in their original location can cause drive shaft imbalance. Do not remove the bolts retaining the flex coupling to the driveshaft.

Index-mark the front driveshaft pinion flange. Remove the three nuts, washers and bolts.

Item 2: Driveshaft Removal Note





1. Slide the front shaft assembly rearward and support.

Item 3: Transmission Support Screws Removal Note

1. WARNING: Secure the transmission to the transmission jack with a safety chain. Failure to follow these instructions may result in personal injury.

Using a suitable transmission jack, support the transmission.





2. Remove the transmission mount and lower the transmission enough to gain access to the digital Transmission Range (TR) sensor.

Item 6: Transmission Range TR Sensor Electrical Connector Removal Note





1. Remove and discard the tie strap from the digital TR sensor connector boot.





2. Slide the rubber boot back and disconnect the digital TR sensor connector.

Item 8: Transmission Range TR Sensor Installation Note





1. CAUTION: The digital transmission range sensor must fit flush against the boss on the case to prevent damage to the sensor.

Install the digital TR sensor and loosely install the screws.

Item 7: Transmission Range TR Sensor Screws Installation Note





1. CAUTION: Tightening one screw before tightening the other may cause the sensor to bind or become damaged.

NOTE: The manual lever must be in the NEUTRAL position.

Using the special tool, align the digital TR sensor and tighten the screws in an alternating sequence.

Item 6: Transmission Range TR Sensor Electrical Connector Installation Note





1. Reconnect the digital TR sensor electrical connector.





2. Slide the boot over the digital TR sensor connector and install a tie strap.

Item 3: Transmission Support Screws Installation Note





1. Install the rear support screws.

Item 1: Output Shaft Flange Coupler Installation Note





1. CAUTION: Align the index marks or a driveshaft imbalance can occur.

Align the index marks on the companion flange made during removal and position the driveshaft in place.





2. CAUTION: Install the bolts, washers, and nuts in their original position or driveshaft imbalance can occur. Install the driveshaft flex coupling bolts with the head of the bolt seated against the flange, and the nuts seated against the flex coupling.

Install the three nuts, washers and bolts.