lemon-mirror:
Home >> Lincoln >> 2000 >> LS V8-3.9L VIN A >> Repair and Diagnosis >> Diagrams >> Exploded Views >> Automatic Transmission/Transaxle

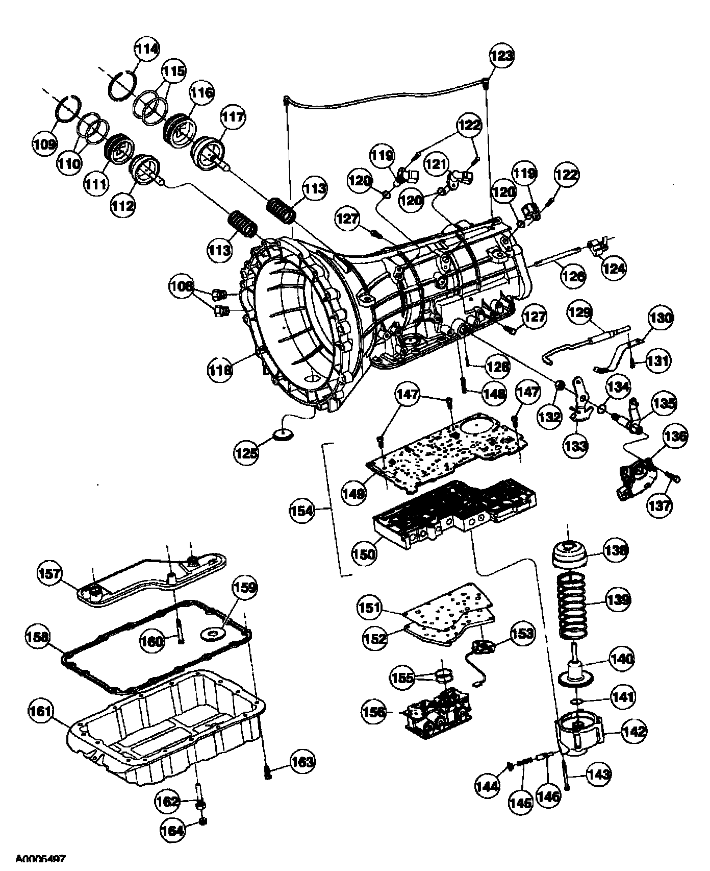
Automatic Transmission/Transaxle





1 of 6





2 of 6





3 of 6





4 of 6





5 of 6





6 of 6