lemon-mirror:
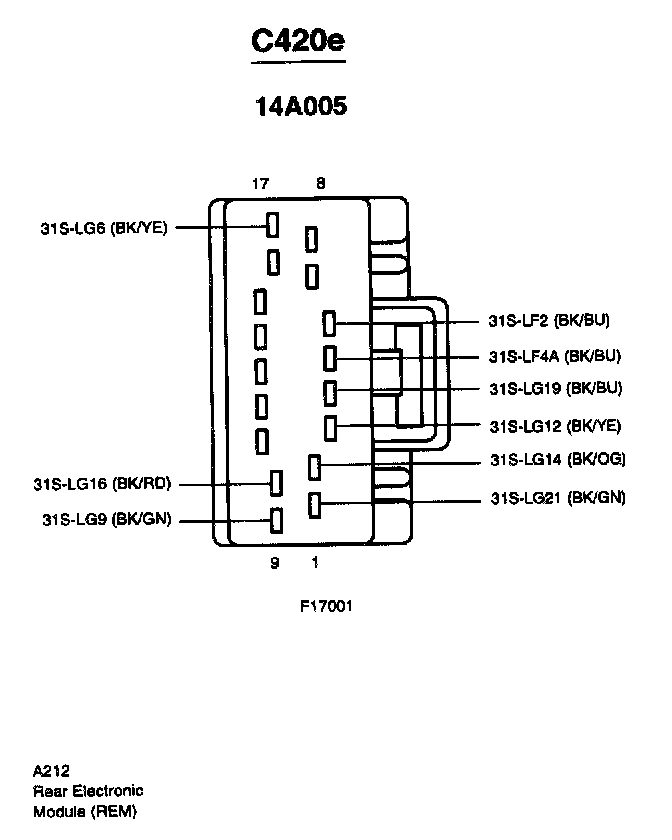
Home >> Lincoln >> 2000 >> LS V8-3.9L VIN A >> Repair and Diagnosis >> Diagrams >> Connector Views >> General Module >> Rear Electronic Module >> C420e

C420e