lemon-mirror:
Home >> Lexus >> 2000 >> SC 400 V8-4.0L (1UZ-FE) >> Repair and Diagnosis >> Specifications >> Mechanical Specifications >> Engine >> Cylinder Block Assembly >> System Specifications >> Torque Specifications

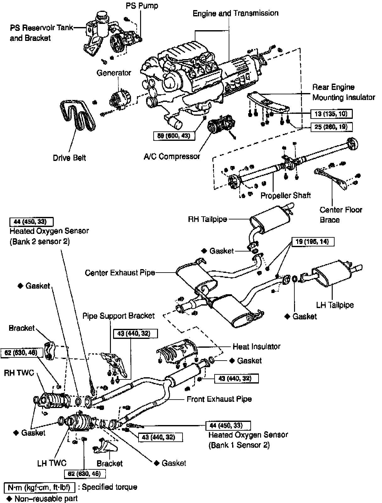
Torque Specifications






Part 1 of 12





Part 2 of 12





Part 3 of 12





Part 4 of 12





Part 5 of 12





Part 6 of 12





Part 7 of 12





Part 8 of 12





Part 9 of 12





Part 10 of 12





Part 11 of 12





Part 12 of 12