lemon-mirror:
Home >> Lexus >> 2000 >> SC 300 L6-3.0L (2JZ-GE) >> Repair and Diagnosis >> Diagrams >> Exploded Views >> Compressor HVAC

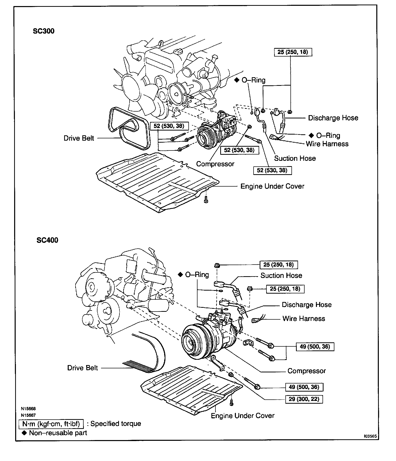
Compressor HVAC