lemon-mirror:
Home >> Lexus >> 2000 >> LS 400 V8-4.0L (1UZ-FE) >> Repair and Diagnosis >> Powertrain Management >> Computers and Control Systems >> Throttle Position Sensor >> Service and Repair

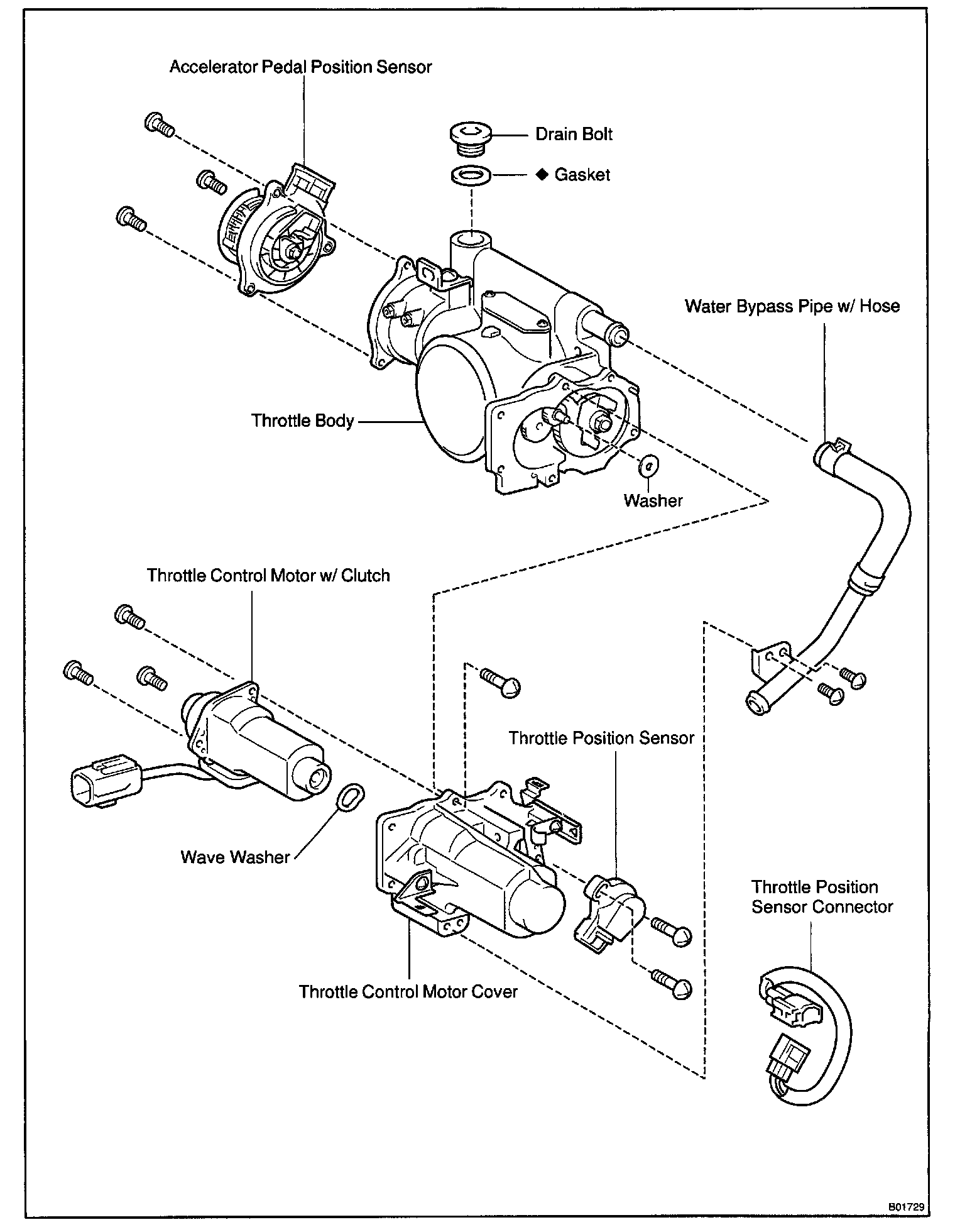
Throttle Position Sensor: Service and Repair










COMPONENTS

REPLACEMENT

NOTE:
- To prevent deterioration, do not shock the throttle position sensor and accelerator pedal position sensor.
- Mixing of the foreign objects may cause the gear locking, so thoroughly check that there is no stuck of any foreign objects and clean up if any.

1. REPLACE THROTTLE POSITION SENSOR




a. Remove the 2 screws and water bypass pipe W/hose.
b. Disconnect the connector from the throttle position sensor and bracket.
c. Widen the clamp with your hand and remove the wire harness from the clamp.
d. Remove the 2 set screws and throttle position sensor.

e. Reinstall the throttle position sensor.
1. Check that the throttle valve is under the condition of the opener opening angle (about )




2. Install the sensor to the place where is at 15° rotated to the right from the specified installation position.
3. Gradually turn sensor counterclockwise until it touches the throttle valve shaft and temporarily torque the 2 set screws.

f. Install the wire harness to the clamp, and connect the connector to the throttle position sensor and bracket.

g. Adjust the throttle position sensor.

1. Connect the throttle position sensor connector.

NOTE: Do not connect the accelerator pedal position sensor connector.

2. Connect the LEXUS hand-held tester or OBDII scan tool to the DLC3.
3. Turn the ignition switch ON.




4. While reading the valve of the throttle valve opening percentage (THROTTLE POS) of the CURRENT DATA, turn the throttle position sensor slowly to left and right and set the sensor at the center value of the standard value, and then torque the screws.
Standard throttle valve opening percentage: 14.4 - 16%
Torque: 2 Nm (20 kg.cm, l7 in.lb)

NOTE: After turning the ignition switch ON, do not depress the accelerator pedal.

5. Recheck throttle valve opening percentage.
If the throttle valve opening percentage is not as specified, repeat step (4).

6. Perform fully closed throttle valve by hand and check that the valve of the throttle valve opening percentage (THROTTLE POS) of the CURRENT DATA stays with the standard value.
Standard throttle valve opening percentage: 10 - 14%
If the throttle valve opening percentage is not as specified, repeat steps (4). to (6).

7. Paint the sensor set screw.
8. Turn the ignition switch OFF.
9. Disconnect the LEXUS hand-held tester or OBDII scan tool from the DLC3.
10. Disconnect the throttle position sensor connector.

h. Reinstall the water bypass pipe w/hose with the 2 screws.
Torque: 5.4 Nm (55 kg.cm, 47 in.lb)

2. REPLACE THROTTLE CONTROL MOTOR w/CLUTCH




a. Remove the water bypass pipe w/hose.
b. Remove the throttle position sensor.

c. Remove the throttle control motor w/clutch.
1. Disconnect the connector from the bracket.
2. Remove the 6 screws, cover and motor assembly and washer.




3. Remove the 3 screws, throttle control motor w/clutch and wave washer from the cover.

d. Reinstall the throttle control motor w/clutch.




1. Place the wave washer to the cover.

2. Match the holes of the positioning pin of the cover and the motor, and then install the throttle control motor w/clutch with the 3 set screws.
Torque: 3.4 Nm (35 kg.cm, 30 in.lb)

3. Apply the grease thinly on the whole surface of the gear teeth.

NOTE: Do not apply the grease other than specified because grease has been already applied to the component to be replaced.




4. Place the washer as shown in the illustration.

5. Match the holes of the positioning pin of the throttle body and the motor cover, and then install the throttle control motor and cover assembly with the 6 set screws.
Torque: 3.4 Nm (35 kg.cm, 30 in.lb)

6. Connect the connector to the bracket.

e. Reinstall and adjust the throttle position sensor. (See step 1)
f. Reinstall the water bypass pipe w/hose.

3. REPLACE ACCELERATOR PEDAL POSITION SENSOR




a. Remove the 3 set screws and accelerator position sensor.

b. Reinstall the accelerator pedal position sensor.
1. Check that the throttle valve is under the condition of the opener opening angle (about )




2. Install the sensor to the place where is at 20° rotated to the left from the specified installation position.

3. Gradually turn sensor clockwise until it touches the throttle valve shaft and temporarily torque the 3 set screws.
Torque: 5.4 Nm (55 kg.cm, 47in.lb)

c. Inspect the accelerator pedal position sensor.
1. Connect the accelerator pedal position sensor connector.
2. Connect the LEXUS hand-held tester or OBDII scan tool to the DLC3.
3. Turn the ignition switch ON.

4. Check that the ACCEL POS #1 (VPA) voltage of the CURRENT DATA shows the standard value.
Standard accelerator pedal position voltage: 0.35 - 0.85 V

NOTE: After turning the ignition switch ON, do not depress the accelerator pedal.

4. CHECK SYSTEM OPERATION