lemon-mirror:
Home >> Lexus >> 2000 >> LS 400 V8-4.0L (1UZ-FE) >> Repair and Diagnosis >> Diagrams >> Exploded Views >> Steering Column

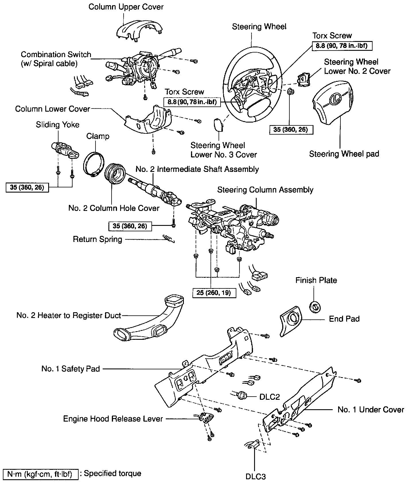
Steering Column








POWER TILT AND POWER TELESCOPIC STEERING COLUMN W/ RELATED COMPONENTS