lemon-mirror:
Home >> Lexus >> 2000 >> LS 400 V8-4.0L (1UZ-FE) >> Repair and Diagnosis >> Diagrams >> Exploded Views >> Engine >> System Diagram

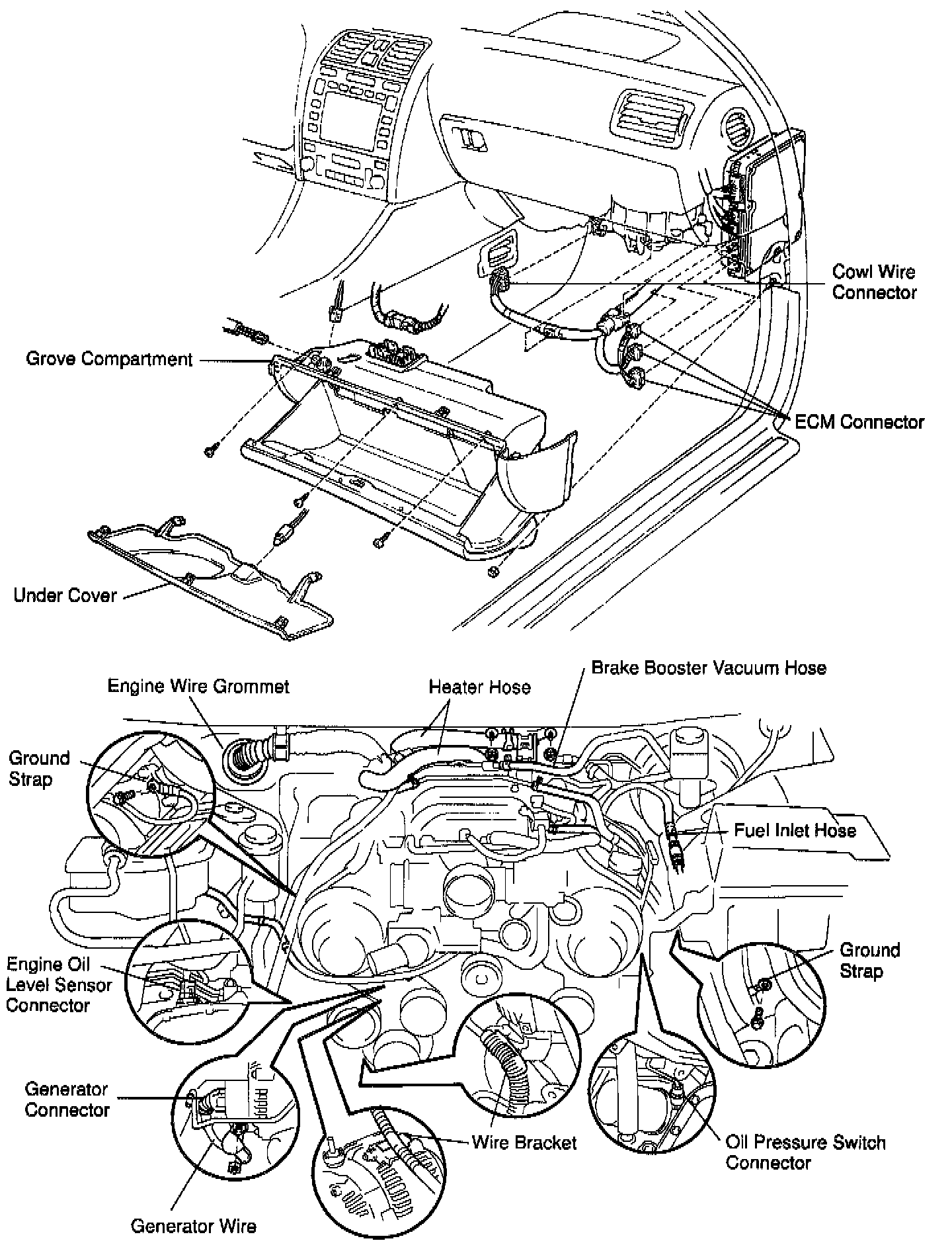
System Diagram

ENGINE UNIT REPLACEMENT W/ RELATED COMPONENTS





Part 1 of 4





Part 2 of 4





Part 3 of 4





Part 4 of 4