lemon-mirror:
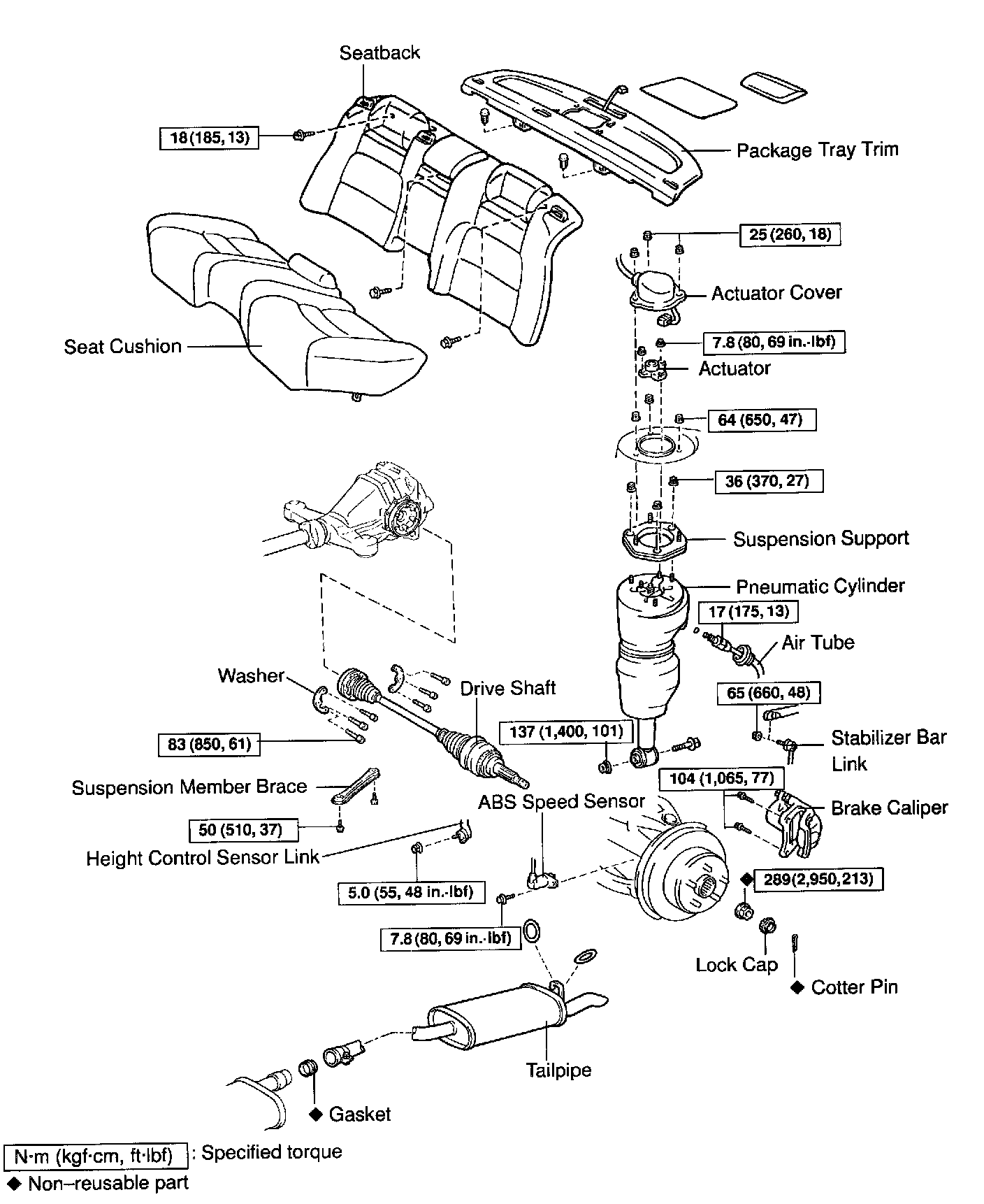
Home >> Lexus >> 2000 >> LS 400 V8-4.0L (1UZ-FE) >> Repair and Diagnosis >> Diagrams >> Exploded Views >> Air Spring >> Rear

Rear