lemon-mirror:
Home >> Land Rover >> 2000 >> Range Rover (LP) V8-4.6L >> Repair and Diagnosis >> Cruise Control >> Cruise Control Module >> Service and Repair

Cruise Control Module: Service and Repair



Service repair no - 19.75.49

Remove
1. Remove fascia closing panel.
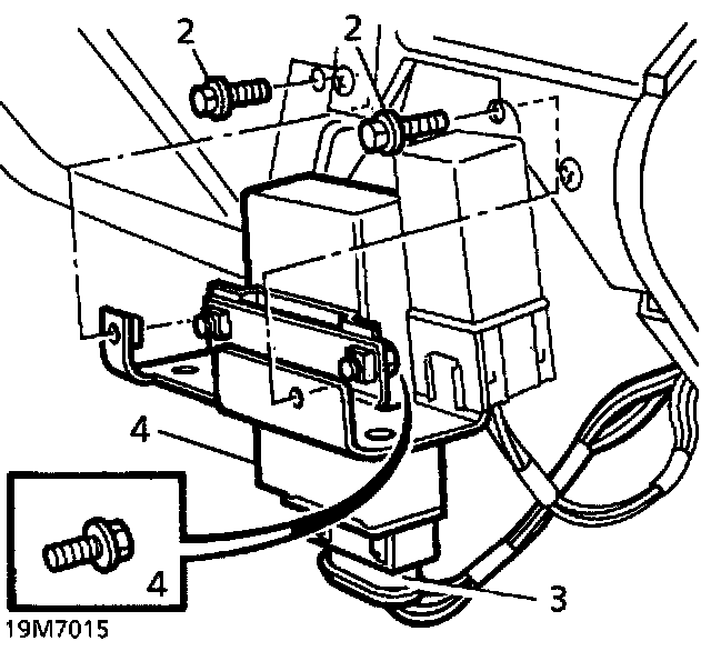
2. Remove 2 bolts securing ECU bracket to fascia. Release bracket to gain access to fixings.
3. Disconnect multiplug from ECU.
4. Remove 2 bolts securing ECU. Remove ECU.







Refit
5. Reverse removal procedure.