lemon-mirror:
Home >> Kia >> 2013 >> Sorento 2WD V6-3.5L >> Repair and Diagnosis >> Powertrain Management >> Computers and Control Systems >> Body Control Module >> Description and Operation >> Part 2

Part 2




(Continued)


Decremental Room lamp Control
1. Room lamp OFF



















T1 : 20±1min, T2 : 30±3sec
2. Room lamp ON for 30s



















T1 : 20±1min, T2 : 30±3sec
3. Room lamp ON for 20min



















T1 : 20±1min, T2 : 30±3sec
4. Room lamp decaying
























T1 : 20±1min, T2 : 30±3sec
5. Room lamp ON



















T1 : 20±1min, T2 : 30±3sec
6. Room lamp auto cut




(1) C00: If (ACC=ON or IGN1=ON or IGN2=ON) or (Burglar Alarm state = 1->0) then Room lamp auto cut = ON and 20mins timer stop and 3sec timer stop.
(2) C01: If (Key In = ON or KEY OFF) then start 20mins timer.
(3) C02: If (Burglar alarm = 0->1) then start 3sec timer.
(4) C03: If 3sec timer elapsed then room lamp auto cut = OFF.
(5) C04: If 20mins timer elapsed then room lamp auto cut = OFF.
(6) C05: If (ACC=ON or IGN1=ON or IGN2=ON) or (Burglar Alarm state = 1->0) or (Any door close -> open or Tailgate open switch=ON then room lamp auto cut = ON and 20mins timer stop and 3sec timer stop.

Turn signal and hazard Control
1. Turn signal and hazard control data flow




2. Flasher function priority
If conditions of activating flashing conflict with each other, functional priorities are as following:
1st : Arm / Disarm / Flashing (Burglar Alarm system) & Tailgate release Flashing
2nd : Burglar Alarm Flashing
3rd : Panic (including MTS) Flashing
4th : Hazard Flashing
5th : Turn Signal Flashing
3. Turn Left/ Right signal flashing function
If the Left (or Right) turn switch is active and if IGN2 is On, the left (or Right) turn signal outputs are driven. The turn signal is active as long as both conditions ((Turn Signal LH switch or L_Turn Signal RH switch = On) and IGN2 = On) are true and is turned Off when one of these conditions is no longer detected.
If a failure is detected (Bulb/LED) outage or open load on the activated turn signal side, the flasher frequency is doubled.
This failure can be detected when IGN1 and IGN2 On (IGN1 = On and IGN2 = On).
While turn switch is ON and failure was detected, even if bulb (or LED) failure is no longer detected, keep the double blinking flashing and after next turn switch ON transition, only then, flasher is activated with normal blinking.




4. Lane change turn Left/ Right signal control function
The Flasher Lane-Change feature is initiated with a momentary activation of the turn switch. The turn signal will then flash 3 times.
This lane-change feature operates under the following conditions:
A. Lane change mode enabled (Lane Enable = ON)
B. The Lane Change feature will not work without voltage on the Ignition 2 circuit.
C. The "bulb-fail" mode is not working and the flashing frequency is always normal blinking in lane change mode (85 ±10 period/min).
D. During the lane change mode operation, if the user moves the turn switch in the other direction, then lane change mode is finished and the other direction's flashing (normal or lane change flashing) will start depending on the switch detection time.




5. Hazard flashing function
Activating the hazard switch generates the hazard signal, regardless of the Ignition key position. The hazard signal is a permanent sequence. It goes off when the hazard switch is deactivated. The hazard drives both the Left and Right flashing sides.
Like the turn signal flashing, if bulb(or LED) failure is detected, flashing frequency is doubled. But it is Only possible in IGN1 and IGN2 ON (IGN1 = ON and IGN2 = ON).




6. Turn signal and hazard priority
Hazard flashing has a higher priority than turn Left/Right control.
A. During hazard flashing, if turn Flashing is requested, keep the hazard operation.
B. During turn flashing, if hazard flashing is requested, interrupt the turn flashing and start hazard operation immediately.
C. During hazard operation if hazard and turn switch are On at the same time, if hazard switch is turned Off, turn flashing starts to operate but, does not discontinue the running period.




7. Double blinking detection condition
In case of activation of hazard the fault detection will be able to detect the failure only if 3 bulbs of Front or Rear are broken-down.
In case of turn signal activation when one of the front or rear is broken-down (Lamp failure), the turn signal blinks with double frequency. Lamp failure condition as below:
A. Flasher fault detection should be inhibited according to Battery voltage, i.e.: When the Vbat voltage is lower than flasher fault voltage detection(9V). This threshold for flasher fault detection should be configured as a calibration variable (EEPROM variable)
B. The fault detection is done while output for turn left/right or hazard is active and IGN1 ON and IGN2 ON (lane change is not included), once fault is detected, IPM keep the fault mode until flasher triggering condition is released (Turn right or left switch off/ IGN2 or hazard switch off)

Door Lock/unlock Control
1. Door lock/unlock priority
1 Crash unlock
2 Auto door lock/unlock (by shift lever change)
3 IGN key reminder unlock (passive key reminder)
4 Central door lock/unlock (2-Turn unlock)
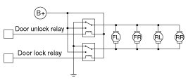
2. Door lock/unlock relay control
(1) NON 2-TURN UNLOCK









(2) 2-Turn Unlock Specification (North America)









3. Determining key lock/unlock input
(1) Determine outside door key lock / unlock Input following ensuring that lock / unlock switch is mechanically interlocking with the function.
(2) Driver door key lock
A. Driver door unlock switch OFF being checked within 3 seconds from Driver door key lock switch = ON, carry on Driver door key lock switch input.
B. If Driver door unlock switch is ON for over 3 seconds, Driver door key lock switch input is ignored.
(3) Driver door key unlock
A. Driver door unlock switch OFF being checked within 3 seconds from Driver door key lock switch = ON, carry on Driver door key unlock switch input.
B. If Driver door unlock switch is ON for over 3 seconds, Driver door key unlock switch input is ignored.
(4) Driver door key lock switch input is ignored if key IN & IGN1 is ON.




4. Central door lock/unlock
(1) Lock commend condition
A. TX lock (SMK_passive_lock is inputting with all doors closed.)
B. Driver door key lock switch = ON (excluding key IN & IGN1 ON state.)
C. All door lock requirements are met based on AUTO lock_TIMER1 / AUTO lock_TIMER2
D. Power window lock switch = ON
(2) Unlock commend condition
A. TX unlock Input
B. Driver door key unlock switch= ON
C. Power window unlock switch= ON (excluding ARM state)
(3) Central lock output is ON for T1 (0.5sec) when inputting lock commend.
(4) Central unlock output is ON for T1 (0.5sec), when inputting unlock commend.
(5) Lock/unlock by SAFETY KNOB is not interlocking. (mechanical operation)
(6) No malfunctioning should be in the presence when changing Battery. (in key In switch ON state, also)
(7) No pressure lower than 60msec (driver door key lock switch / Driver door key unlock switch)
(8) Immediately turn OFF the output if reverse output is required during the output, and operate the reverse output after 100ms. However, in case that another output is required during the delay of 100ms, operate the most recently required output.
(9) If the condition of Central lock output and Central unlock output is simultaneously developed, lock output is prior to unlock output.
(10) Central lock / unlock output is consistently operated regardless of knob Input condition when inputting lock / unlock.
(11) When re-inputting lock (unlock) commend during lock (unlock) output by lock (unlock) commend, previous output is maintained.
(12) When the input is simultaneously operated by key / TX / driver door key lock switch, priority is to be TX > key > driver door key lock switch in order. (This condition is prior to (9) above.)




T1 : 0.5±0.1sec, T2 : Max 3sec
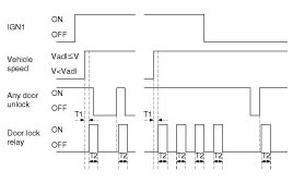
5. 2-TURN UNLOCK (NORTH AMERICA )
(1) If Driver door unlock switch is Unlocked within 3 seconds from Driver door key unlock switch is OFF->ON(Driver door unlock switch is mechanically Unlocked and IPM output is not operated), and Driver door key unlock switch is OFF -> ON in T1, turn Door unlock relay and Driver unlock relay Output for T2.
(2) If Driver door unlock switch is Unlocked within 3 seconds from Driver door key unlock switch is OFF -> ON (Driver door unlock switch is mechanically Unlocked and IPM output is not operated), and TX UNLOCK signal is received within T1, turn ON Door unlock relay and Driver unlock relay Output for T2.
(3) Turn ON Driver unlock relay Output for T2 when receiving TX UNLOCK signal. However, if TX UNLOCK signal is received within T1, turn ON Door unlock relay and Driver unlock relay Output for T2.
(4) If Driver door unlock switch is Unlocked within 3 seconds from Driver door key unlock switch is OFF->ON in T1 following the receipt of TX UNLOCK signal, (Driver door unlock switch is mechanically Unlocked and IPM output is not operated), turn ON Door unlock relay and Driver unlock relay Output for T2.
(5) It is considered to be the same TX not with standing receiving different TX signal registered in T1.
(6) Door lock relay, Door unlock relay, and Driver unlock relay Output by Driver door unlock switch change is not operated.




T1 : 4±1 sec, T2 : 0.5 ± 0.1 sec T3 : Max 3sec
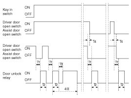
6. IGN key reminder
(1) This function is disabled in vehicle speed over 3km/h. (determined by 3km Signal)
(2) Unlock condition: ALL door Unlock is operated for 1 sec of the following is met.
A. Condition 1
1) IGN key ON & Driver's seat door = Open & Driver's seat door Unlock switch = LOCK
2) IGN key ON & Passenger seat door = Open & passenger seat door Unlock switch = LOCK
B. Condition 2
1) Driver's seat door is Open -> Close within 0.5s from door Unlock switch is Unlocked -> locked with IGN key ON.
2) Passenger seat door is Open -> Close within 0.5s from door Unlock switch is Unlocked -> Locked with IGN key ON
C. Condition 3
1) Driver's seat door unlock switch is unlocked -> locked within 0.5s from Driver's seat door is Open -> Close with IGN key ON.
2) Passenger seat door unlock switch is Unlocked -> Locked within 0.5s from Passenger seat door is Open -> Close with IGN key ON.
(3) Unlock retry condition: If Lock condition is maintained regardless of Unlock output for 1 second by condition 1, the maximum of 3 times (excluding the 1 second output) of Unlock output is operated. (1s cycle: 0.5s ON/OFF)
(4) DEAD LOCK Applied Region :
A. Dead Unlock output is operated for 0.5 second and then all door unlock signal output is ON for a second following the delay of 200msec , if Unlock condition (1) is met.
B. Dead Unlock output is operated for 0.5 second and the maximum of 3 times of 200msec all door unlock output is operated following the delay of 200msec, if unlock retry condition (2) is met. (1s cycle: 0.5s ON/OFF)
(5) If door is locked by power window lock switch with IGN key ON after driver door or assist door open, IGN key reminder function is performed.
(6) Unlock output is operated despite that unlock condition is not maintained for 0.5 s from the condition is met. However, it is not operated if IGN key is out after 0.5 sec from door lock switch is met with the condition by change from unlock -> lock.
(7) Passenger seat action is prior to that of driver's seat if both condition is fulfilled at the same time.




T1,T3 : 0.5±0.1sec, T2 : 1±0.1sec, T4 : 0.5sec or less
7. Passive key reminder unlock
(1) This function is disabled to be performed if vehicle speed is over 3km/h.
(2) Door unlock output is operated for 1s when receiving KEY REMIND(CAN) from SMK ECU.
(3) The maximum of 3 times of (excluding the 1s output) unlock output is operated if lock state is maintained regardless of unlock output for 1s by (2).




T1 : 1±0.1sec, T2 : 0.5±0.1sec
*Unlock SW ON : DRVDR Unlock SW is unlocked and ASTDR Unlock SW is unlocked
Unlock SW OFF : DRVDR Unlock SW is locked and ASTDR Unlock SW is locked
8. Crash door unlock
(1) Whenever crash Input signal[1] Input is ON with IGN1 = ON or IGN2 = ON , Unlock output is operated without exception.
(2) Unlock output is maintained to the cycle not with standing IGN1 = OFF and IGN2 = OFF during Unlock output.
(3) Unlock output is operated for T3 when driver or assist, rear door Lock switch is Unlocked -> Locked following unlock output.
(4) Auto door lock function is not performed under the crash Unlock condition.
(5) Central door lock function is not performed during or after crash unlock output. However, central door lock function will be performed as usual if crash unlock function is reset following IGN OFF.
(6) Crash door unlock function is prior to Lock/Unlock control by other functions.
(7) Lock/unlock required by other functions is ignored during and after crash door unlock output. However, lock/unlock is controlled by other function if IGN1 switch = OFF & IGN2 switch = OFF.




T1 : 40msec, T2 : 5±0.5sec
9. Auto door lock
(1) Auto door lock is divided into non-activation / 20km activation / 40km activation.
(2) Door lock relay output is ON by T1, when maintaining rated speed or more in (1) with A_IGN1 SW=ON. However, lock output is not operated if ALL doors are failed or locked.
(3) If any of the door is in unlock condition after lock output in (2), the maximum of 3 times of lock output is operated (1s cycle). However, door changed from unlock->lock during the output is ignored.
(4) The door is failed if it is unlocked after the 3 times output.
(5) 1 lock output is operated only if failed door is unlocked following the previous change. (unlock->lock)
(6) 1 lock output is operated only if locked door is unlocked after the lock output in (2). However, 1 lock output is operated on the door regardless of maintaining unlock condition following the lock output.
(7) Clear failed door when IGN1 switch is OFF.
(8) Auto door lock function is not performed under crash unlock condition.




T1 : Max 1.5, T2 : 0.5±0.1sec
10. IGN key off unlock
(1) IGN key OFF unlock is divided into non-activation/activation.
(2) All doors are unlocked if any of the door is locked during IGN1 switch OFF prior to key OFF.




T1 : 0.5±0.1sec
11. Auto door Lock by shift lever change (NORTH AMERICA AT SPECIFICATION)
(1) Activation of above function is in accordance with CALIBRATION PARAMETER TABLE.
(2) Door Lock Output is operated when Inhibit P signal Input value is changed from 1 -> 0 with All door close (including Tail Gate) and Any door unlock after 300msec from IGN1 is ON and Alt L is ON. However, the output is not operated with All door Lock or All door fail.
(3) If any of the doors is Unlocked after Lock Output by above condition, the maximum of 3 times of Lock Output is operated. (1s cycle) However, DOOR UNLOCK->LOCK during the output is ignored.
(4) The door is Failed if it is Unlocked after the 3 outputs.
(5) 1 Lock Output is operated only if Failed door is Unlocked following the previous change. (UNLOCK->LOCK)
1 Lock Output is operated only if Locked door is Unlocked after the Lock Output in (2). However, 1 Lock Output is operated on the door regardless of maintaining Unlock condition following the Lock Output.
(6) Clear failed door when IGN1 switch is OFF.
(7) Shift P interlocking Door Lock function is not performed under Crash Unlock function.




T1 : Max 1.5sec, T2 : 0.5 ± 0.1sec
*1 ON (UNLOCK) : DRIVER DR Unlock Switch I ASTDR Unlock Switch I RR DR Unlock Switch = UNLOCK
OFF (LOCK) : DRIVER DR Unlock Switch & ASTDR Unlock Switch & RR DR Unlock Switch = LOCK
12. Auto door Unlock by shift lever change (NORTH AMERICA AT SPECIFICATION)
(1) When any door lock & IGN1 ON & Alt L=ON, Inhibit P signal value change to 0 from 1 after 300msec, Central door unlock output.
13. Key interlock control




(1) If P position switch Input is OFF with IGN1 ON or ACC ON, the condition is required to be made for key being tightly fixed by turning ON Key solenoid output.
(2) Other than the above condition, key is to be removed by turning OFF Key solenoid output.




14. Tailgate release control




Tailgate release state diagram




(1) Permission mode state















(2) 30sec permission mode state















(3) Anti-permission mode state














T1,T2 : 0.5±0.1sec, T3 : 1±0.2sec, T4 : 30±3sec
Tailgate operation condition
1 Tailgate handle switch ON
(Condition: All knob unlocked)
2 If the tailgate relay operation function condition is satisfied for 30 seconds after the tailgate operation is ON by the remote control, after 30 seconds the tailgate will not open even if there is a tailgate switch input.
3 The hazard warning light will blink twice with an interval of 0.5 second when the remote control any button is inputted.
4 Tailgate switch ON
(Condition: Unlocked with the remote control and all knob unlocked)
5 Tailgate handle switch ON within 30 seconds after tailgate button ON with the remote control.