lemon-mirror:
Home >> Kia >> 2013 >> Sorento 2WD V6-3.5L >> Repair and Diagnosis >> Powertrain Management >> Computers and Control Systems >> Body Control Module >> Description and Operation >> Part 1

Part 1






Description





Function

Wiper Control
1. Wiper Data Flow




2. Wiper control priority
1. Control of washer interlocking wiper
2. MIST wiper control
3. INT wiper control
3. Control of front washer Interlocking Wiper
(1) Turn Washer switch ON in IGN2 ON and turn Wiper low relay ON after T1.
If Washer switch is input in 0.06 - 0.2 second, turn OFF Wiper low relay output after T3.
(2) However, Washer switch input during operating washer interlocking wiper is ignored, and received after operating washer interlocking wiper.




T1 : 0.3±0.03sec, T2 : 0.06 - 0.2sec,
T3 : 0.7±0.1sec
T3=0 (if T2 is less than 0.06sec)
(3) Turn Washer switch ON in IGN2 ON and turn ON Wiper low relay out after T1.
If Washer switch Input takes more than 0.2 second, turn ON and OFF Wiper low relay within 2.5~3.8 seconds after turning Washer switch OFF.
(4) However, Washer switch input is ignored during operating washer interlocking wiper, and received after operating washer interlocking wiper.




T1 : 0.3±0.03sec, T2 : above 0.2sec,
T3 : 2.5 - 3.8sec
(5) If Washer switch is ON for over 0.2 second in operation of INT wiper, turn ON washer interlocking wiper output after T1. If Washer switch is ON for less than 0.2 second, turn ON Wiper low relay Output once.




T1 : 0.3±0.03sec, T2: above 0.2 sec,
T3 : 2.5 - 3.8sec, T4 : INT TIME-0.7sec,
T5 : 0.06 - 0.2sec, T6 : 0.7±0.1sec
(6) When turning on (IGN1 ON & IGN2 OFF), Washer switch signal is ignored.
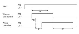
4. MIST wiper control
(1) When turning on Wiper Mist SW with L _IGN2 ON, turning ON O_Wiper Low RLY output for 700ms.




T1 : Min 60ms, T2: Max 100ms, T3 : 700±100ms
(2) If Wiper Mist switch input lasts for over 700ms, maintain Wiper low relay ON. IF Wiper Mist switch is OFF, turn ON Wiper low relay output for 700ms from it is turned OFF.




T1 : Min 60ms, T2: Max 100ms,
T3 : 700±100ms, T4 : 700ms
5. INT wiper control
Intermittent time of intermittent wiper is controlled dependent on the following conditions.
(1) IGN2 switch ON.
(2) Wiper switch INT.
(3) INTERMITTENT VOLUME level is used to set the intermittent time.
6. Rear wiper control
(1) Rear wiper relay is continuously operating when turning Rear wiper switch ON with IGN2 switch ON.
(2) Repeat ON mode for 0.7 second and OFF mode for 6 seconds.




T1 : 6±0.6sec, T2 : 6±0.6sec, T3 : 0.7±0.1sec
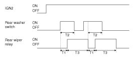
7. Control of rear washer interlocking rear wiper
(1) If Rear washer switch is ON with L_IGN2 SW ON, turn ON Rear wiper relay output after T1.
If Rear washer switch Input is carried on for 0.2 - 0.6 second, turn OFF Rear wiper relay after T3.
However, Rear washer switch input generated during operating Rear wiper relay is ignored, and received following the operation of Rear wiper relay.




T1 : 0.3±0.1sec
T2 : 0.2 - 0.6sec
T3 : 0.7±0.1sec
If T2 is not more the 0.2sec, T3=0
(2) With Rear washer switch is ON with IGN2 switch ON, turn ON Rear wiper relay output after T1.
If Rear washer switch input is continued for more than 0.6, turn ON and OFF Rear wiper relay Output for 2.5~3.8 seconds after turning Rear washer switch OFF. However Rear washer switch Input during operating Rear wiper relay is ignored and received after the operation of Rear wiper relay.




T1 : 0.3 ± 0.1sec, T2 : 0.6[up]sec
T3 : 2.5 - 3.8sec(3sec)
(3) Rear washer switch Input is ignored during continuous operation of Rear wiper relay generated by Rear wiper switch.
(4) The function of Rear washer interlocking Rear wiper is primarily taken, in case that Rear washer switch Input is generated during intermittent operation of Rear wiper relay by Rear wiper switch.

Lamp Control
1. Exterior lamp control data flow




2. Tail lamp auto cut
(1) IGN KEY is OUT when turning Tail lamp switch ON following IGN KEY ON and Tail lamp is automatically OFF (auto power off) when turning on ON Driver door open switch.
(2) Tail lamp is automatically OFF (auto power off) when turning ON Driver door open switch with IGN KEY ON, and then IGN KEY OUT.
(3) If turning Tail lamp switch ON and OFF in turns following auto power off, Tail lamp is ON and AUTO CUT function is disabled.
(4) If IGN KEY is ON again after auto power off, Tail lamp is ON and AUTO CUT function is disabled.
(5) AUTO CUT mode is maintained when changing BATTERY.




3. Head lamp low control
(1) If turning Head lamp low switch ON with IGN1 ON, Head lamp low is ON.
(2) If IGN1 is OFF or Head lamp low switch is OFF, Head lamp low is OFF.
(3) If IPM does not work with IGN1 ON, Head lamp low Output should be automatically ON.




4. Head lamp low signal control
(1) If Head lamp low output is ON by 'Head lamp low switch ON' or 'Auto light function', Head lamp low control output is ON.
(2) If Head lamp low output is ON by 'DRL EUROPE function', Head lamp low control output is Off.
(3) If Head lamp low output is turned ON -> Off, Head lamp low control output is Off.
5. Head lamp high control
Head lamp high Input and Head lamp Passing Input by M/F are controlled by single input of Head lamp high switch.
A. Head lamp high Input
Determined by Head lamp high Input when Head lamp high switch ON with Head lamp low control output ON by IPM, and IGN2 ON.
B. Head lamp Passing Input
Determined by Head lamp passing Input when Head lamp high switch ON with Head lamp Low control Output OFF and IGN2 ON.
(1) If Head lamp high Input is ON with IGN2 ON, Head lamp high output is ON.
(2) If Head lamp passing is ON with IGN2 ON, Head lamp high output is ON.
6. Auto light control
(1) Auto light function is not applicable for Europe DRL option (DRL option=GND).
(2) If Auto light power is less than 4V or more than 6V with IGN1 ON & IGN2 ON, it is considered to be malfunctioning. In this case, Head lamp LOW is ON with Auto light switch ON no matter what the value of Auto light sensor is. Filtering time of failing and recovering supply power takes 300msec each.
(3) If Auto light sensor value is adaptable with the condition of Auto light Control, turn light ON immediately.
(4) If Auto light sensor value is equal to the Input value of light ON with IGN1 ON & IGN2 ON, Auto light switch ON, and light OFF, turn light ON after T1: 2.5 ± 0.2sec.
(5) If Auto light sensor value is equal to the Input value of light OFF with light ON, turn light OFF after T2: 2.5 ± 0.2sec.
(6) When turning OFF Auto light switch, immediately turn OFF light.
(7) Auto light sensor value for light ON is as following.





(8) TIME CHART based on Filtering time and sensor value in each application region is as following.




T1 : 2.5±0.2s, T2: 2.5±0.2s
7. Tail interlocking AV control
(1) Tail Interlocking AV control function is not applied to Europe DRL option.
(2) If Auto light power is less than 4V or over 6V with ACC ON, it is considered to be malfunctioning. AV Tail Output should be OFF in malfunctioning.
(3) Power supply Filtering time of failing and recovering takes 300msec each.
(4) If Auto light sensor value is equal to the input value of Tail lamp ON with ACC ON, turn ON AV Tail Output after 2.5 ± 0.2 sec.
(5) If Auto light sensor value is equal to the input value of Tail lamp OFF with AV Tail Output ON, turn OFF AV Tail output after 2.5 ± 0.2sec.
(6) Auto light sensor value of light ON is as follows.













T1 : 2.5±0.2s, T2: 2.5±0.2s
8. Day time running light
DRL (DAYTIME RUNNING LIGHT) option is categorized into 2 types, based on DRL option Input.
1 NON-DRL OPTION: DRL option is not connected. (Switch Open)
2 DRL OPTION: DRL option is connected for having ground. (Switch Short To GND)
DRL option is input on a regular basis, and to be based on availability of immediate function.




(1) If IGN2 & Alt L ON, DRL is functioning by controlling Head lamp high output with PWM.
(2) Head lamp high output is restricted to frequency: 80Hz / Duty 50% during operating DRL.
(3) If Head lamp low is ON with head lamp low switch ON or by functioning Auto light, the function of DRL is cancelled.
(4) If Head lamp high is ON by turning ON Head lamp high switch, the DRL function is cancelled.
(5) If Parking brake switch is ON (PARK), the DRL function is cancelled.
9. Escort function




(1) Door Lock 2 times : Tx Door Lock 2 times
(2) When Open the Driver door, former 2 times lock counter is cleared, and Start new 2 times lock counting during active the Escort function(counting 30sec).
If Driver door is re-opened,re-start 20min counter and if Driver door is re-close, re-start 30sec counter.




10. Front fog lamp
(1) If turning OFF front fog lamp switch with front fog lamp ON, turn OFF front fog lamp. (Front fog lamp switch is Lock type Switch)
(2) When turning IGN2 OFF with Front fog lamp ON, turn OFF Front fog lamp.
(3) When turning ON Head lamp high switch with Front fog lamp ON, turn off Front fog lamp. If turning Head lamp high switch off another time, turn on Front fog lamp.





Warning Control
1. Priority





2. Warning control data flow




3. Seat belt reminder
* Terminology
1 Bulb check 6s driver Ind. blinking: If IGN1=0->1, indicator is blinking.
2 Bulb check 6s buzzer: If IGN1=0->1 with Unbelted, buzzer is warning.
3 Normal 6s driver Ind. blinking: If IGN1=1 with Belted->Un-belt, indicator is blinking.
4 Normal 6s buzzer: If IGN1=1 with Belted->Unbelted, buzzer is warning.
** 6s driver Indicator blinking: Blinking for 6 seconds in 1 second cy
(1) From state IGN1 Off (Default State)










(2) From state IGN1 On Driver Belted















(3) From state IGN1 On Driver Unbelted















(4) From State Pattern















4. Key operated warning
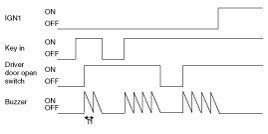
(1) Buzzer is continuously ON in 0.6 second cycle, when key in & Driver door open switch is ON.
(2) Turn off the Buzzer if IGN1 switch is ON or Driver door open switch is OFF or KEY OFF during the output condition.




T1 : 0.6±0.1sec
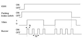
5. Parking start warning
(1) If [10km = 1] with IGN1 ON and Parking brake switch ON , Buzzer output.
(2) If [10km = 1] with Parking brake switch ON, turn ON the Buzzer output.
(3) If IGN1 OFF, Parking brake switch OFF or [10km = OFF], turn OFF the Buzzer output.




T1 : 0.3±0.1sec, T2 : 0.7±0.1sec
6. SMK warning
Refer to Smart key system in this group.

Timer Control
1. Timer Control data flow




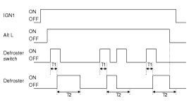
2. Defroster timer
(1) If turning ON Alt L and then Defroster switch with IGN1 switch ON, turn ON Defroster for 20 minutes. (operated in ENGINE RUNNING Condition)
(2) If Defroster switch is ON during Defroster ON, turn OFF Defroster.
(3) If Alt L OFF or IGN1 OFF during Defroster ON, turn OFF Defroster.
(4) Defroster is not activated with Alt L ON as well as Defroster switch being pushed simultaneously.




T1 : 60±20msec, T2 : 20±1min
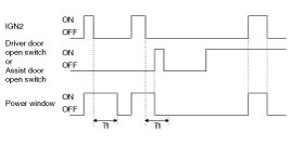
3. Power window timer
(1) Turn ON Power window if IGN2 switch ON.
(2) Power window output is maintained for 30 seconds and OFF if IGN2 switch is OFF.
(3) The output is immediately OFF if Driver door open switch ON or Assist door open switch ON in the (2) above.
(4) If IGN2 is OFF with Driver door open switch ON or Assist door open switch ON, Power window is OFF.




T1 : 30±1sec

IGN key hole Illumination Control
1. If driver door open switch ON or assist door open switch ON with IGN1 OFF , turn ON key hole illumination.
2. In case of driver door open switch OFF or assist door open switch OFF with the condition (1) above, turn ON key hole illumination for 30 seconds, and then OFF the lighting.
3. Turn OFF key hole illumination on activating IGN1 switch in case of (1) and (2) above. However, key hole illumination light should be immediately OFF if ARM WAIT or ARM or ALARM or REARM activation.




T1 : 30±1sec