lemon-mirror:
Home >> Kia >> 2012 >> Soul L4-2.0L >> Repair and Diagnosis >> Powertrain Management >> Ignition System >> Ignition Relay >> Locations

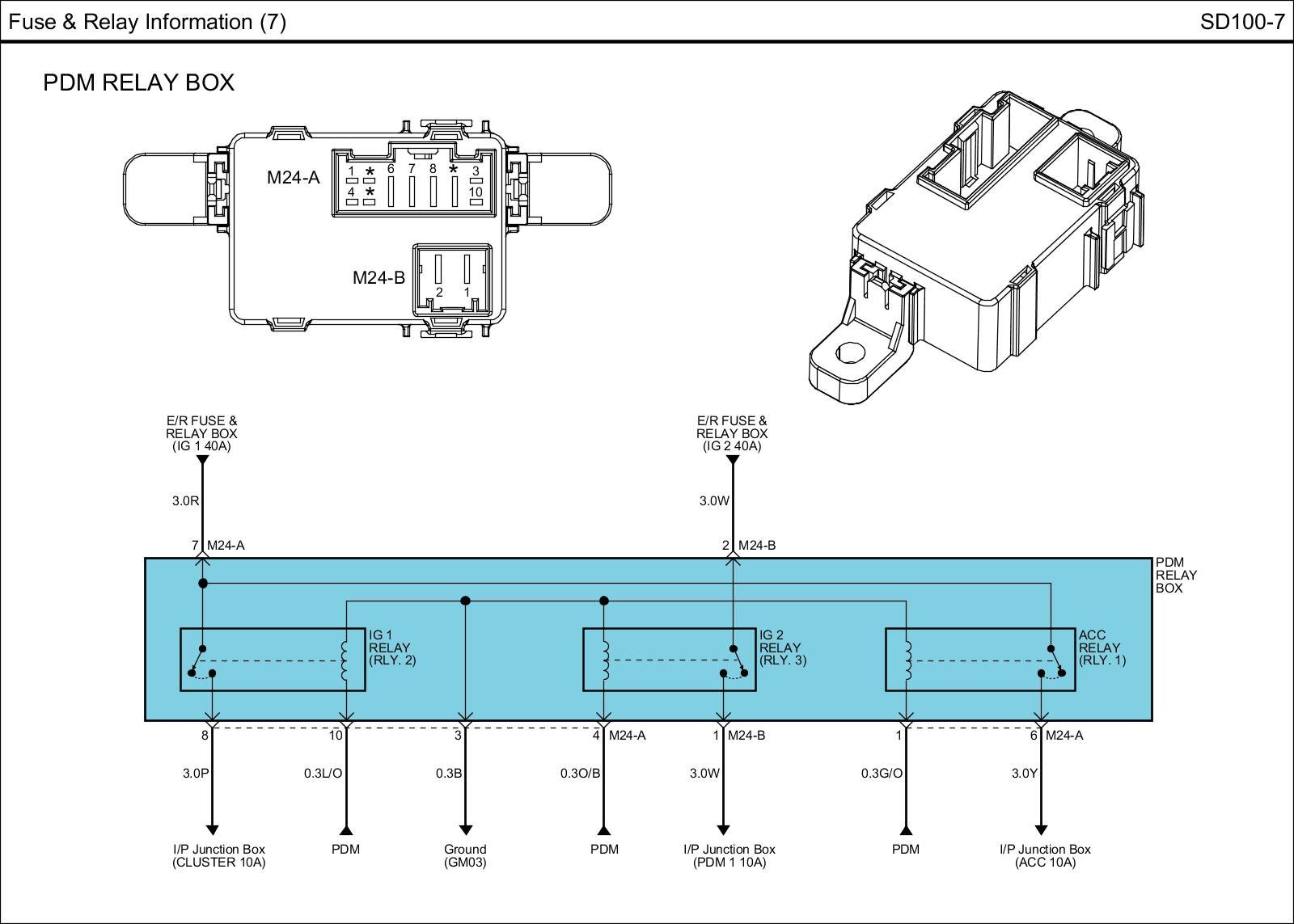
Ignition Relay: Locations

Fuse & Relay Information

PDM Relay Box View: