lemon-mirror:
Home >> Kia >> 2012 >> Soul L4-2.0L >> Repair and Diagnosis >> Powertrain Management >> Computers and Control Systems >> Engine Control Module >> Diagrams >> Electrical Diagrams

Electrical Diagrams





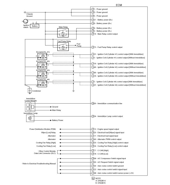
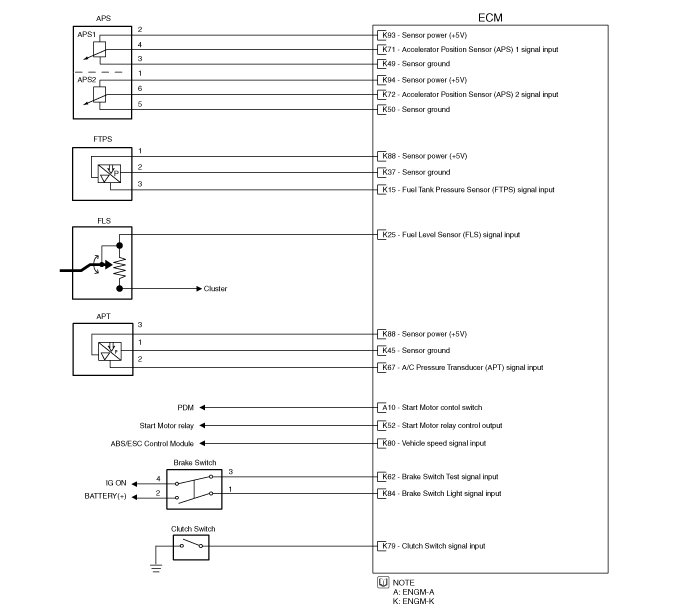
ECM Terminal And Input/Output signal (M/T)




ECM Terminal Function
Connector [ENGM-A]









Connector [ENGM-K]













ECM Terminal Input/ Output signal
Connector [ENGM-A]













Connector [ENGM-K]














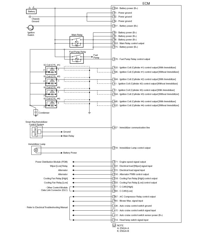
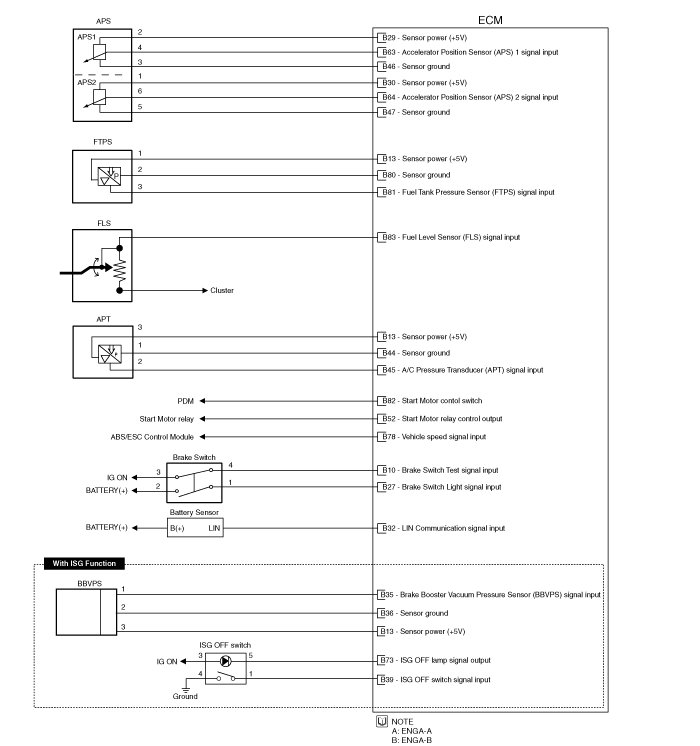
ECM Terminal And Input/Output signal (A/T)




ECM Terminal Function
Connector [ENGA-A]













Connector [ENGA-B]













ECM Terminal Input/Output signal (AT)
Connector [ENGA-A]













Connector [ENGA-B]


















Circuit Diagram

(M/T)
















(A/T)