lemon-mirror:
Home >> Kia >> 2012 >> Soul L4-2.0L >> Repair and Diagnosis >> Power and Ground Distribution >> Power Distribution Module >> Diagrams >> Electrical Diagrams

Electrical Diagrams

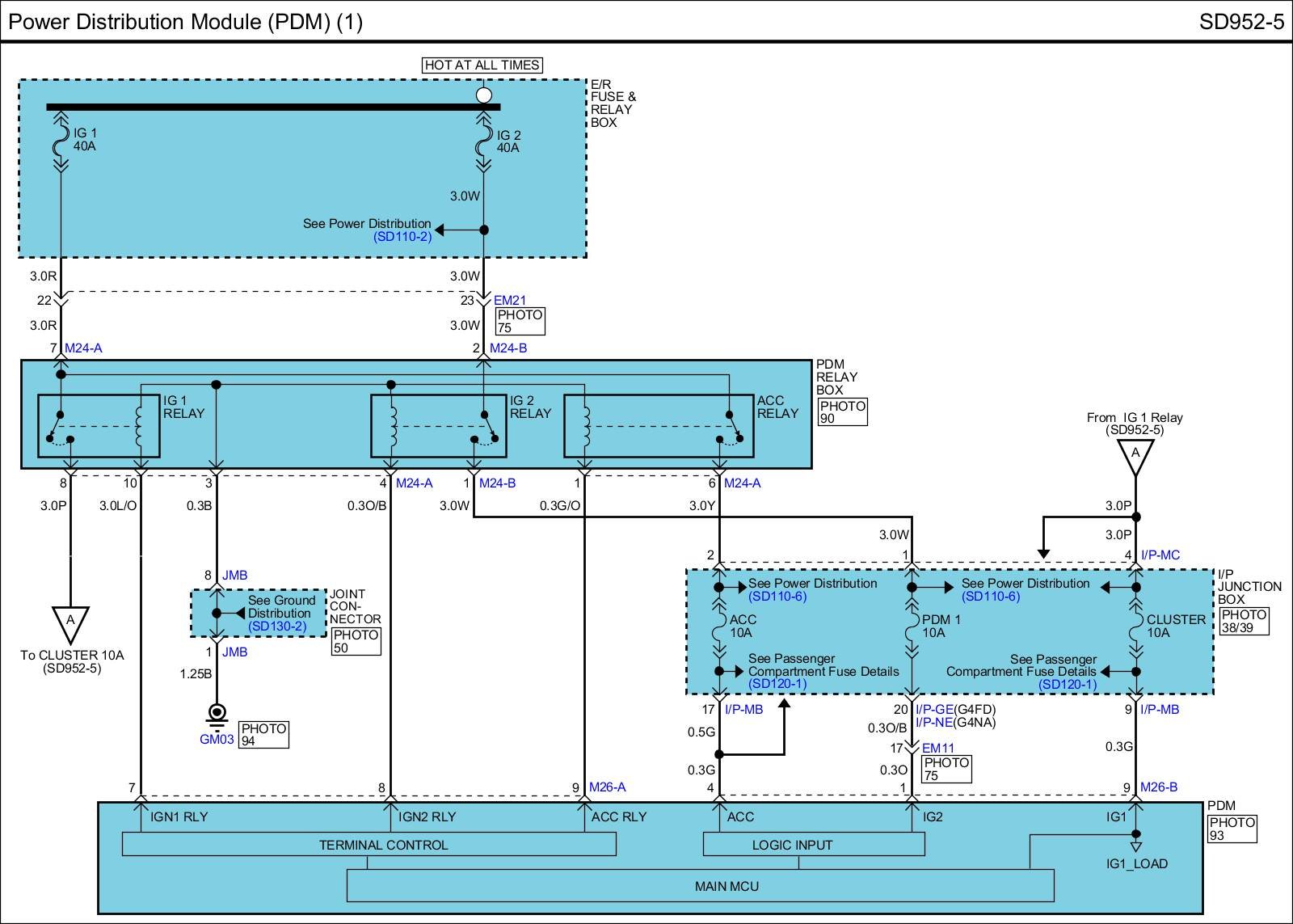
SD952-5 Power Distribution Module (PDM) (1):




SD952-6 Power Distribution Module (PDM) (2):




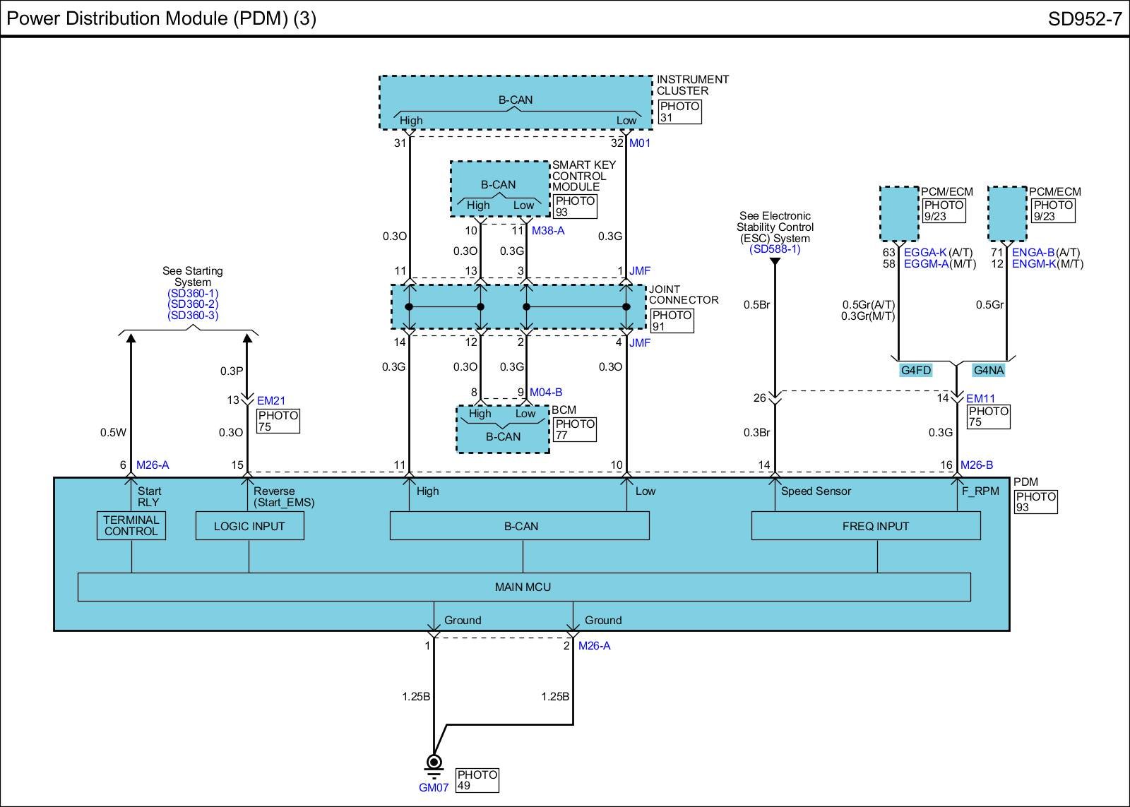
SD952-7 Power Distribution Module (PDM) (3):




Power Distribution Module (PDM) (4) Connector Pin Outs:






Diagrams: Other diagrams referred to by SD number (i.e SD130-4, etc.) within these diagrams can be found at Diagrams by Number. Diagrams By Number

Locations: Location photographs (references to PHOTOS) referred to within these diagrams can be found via the photo number at the vehicle level under Locations by Photo Number. Locations By Photo Number