lemon-mirror:
Home >> Kia >> 2012 >> Sorento 2WD V6-3.5L >> Repair and Diagnosis >> Diagrams >> Electrical Diagrams >> Starting System >> Keyless Starting System >> Keyless Start Control Module >> Smart Key Unit

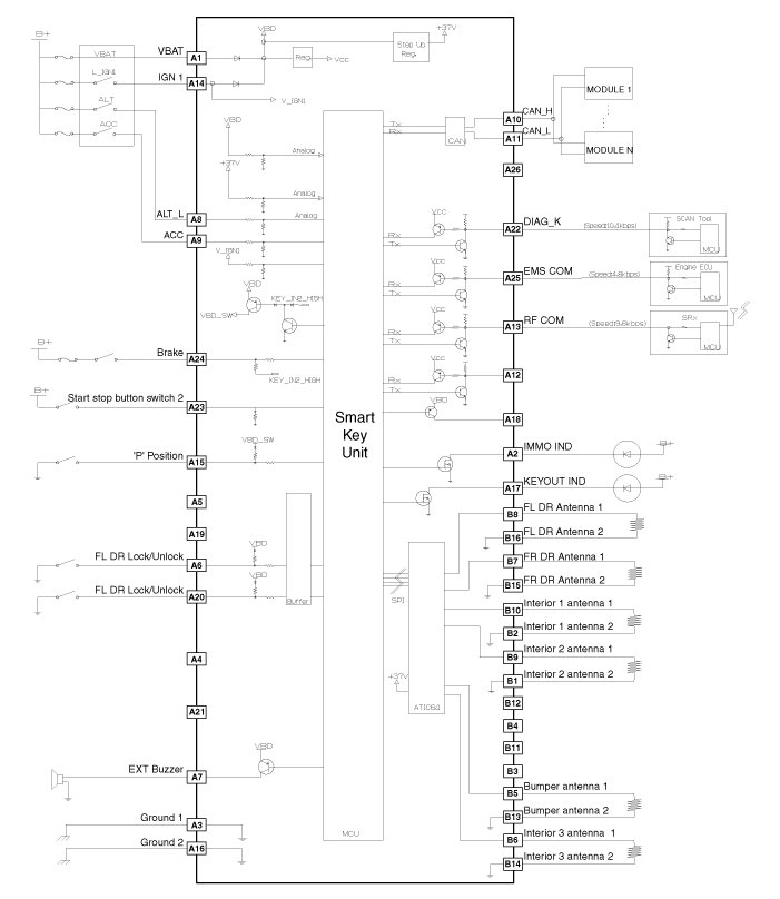
Smart Key Unit





Circuit Diagram