lemon-mirror:
Home >> Kia >> 2012 >> Sedona V6-3.5L >> Repair and Diagnosis >> Powertrain Management >> Computers and Control Systems >> Body Control Module >> Diagrams >> Electrical Diagrams >> Power Sliding Door Module RH

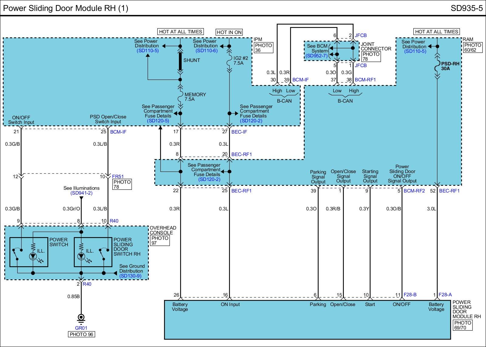
Power Sliding Door Module RH

SD935-5 Power Sliding Door Module RH (1):




SD935-6 Power Sliding Door Module RH (2):




Power Sliding Door Module RH (3) Connector Pin Outs:






Diagrams: Other diagrams referred to by SD number (i.e. SD130-4, etc.) within these diagrams can be found at Diagrams by Number. Diagrams By Number

Locations: Location photographs (references to PHOTOS) referred to within these diagrams can be found via the photo number at the vehicle level under Locations by Photo Number. Locations By Photo Number