lemon-mirror:
Home >> Kia >> 2012 >> Sedona V6-3.5L >> Repair and Diagnosis >> Powertrain Management >> Computers and Control Systems >> Body Control Module >> Diagrams >> Electrical Diagrams >> Power Sliding Door Module LH

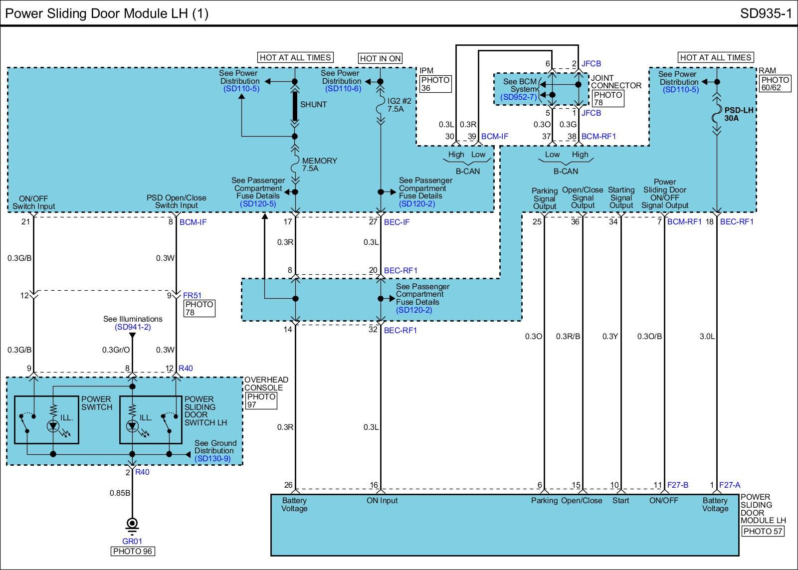
Power Sliding Door Module LH

SD935-1 Power Sliding Door Module LH (1):




SD935-2 Power Sliding Door Module LH (2):




Power Sliding Door Module LH (3) Connector Pin Outs:






Diagrams: Other diagrams referred to by SD number (i.e. SD130-4, etc.) within these diagrams can be found at Diagrams by Number. Diagrams By Number

Locations: Location photographs (references to PHOTOS) referred to within these diagrams can be found via the photo number at the vehicle level under Locations by Photo Number. Locations By Photo Number