lemon-mirror:
Home >> Kia >> 2012 >> Sedona V6-3.5L >> Repair and Diagnosis >> Diagrams >> Electrical Diagrams >> Powertrain Management >> Body Control Module >> Power Tail Gate Module

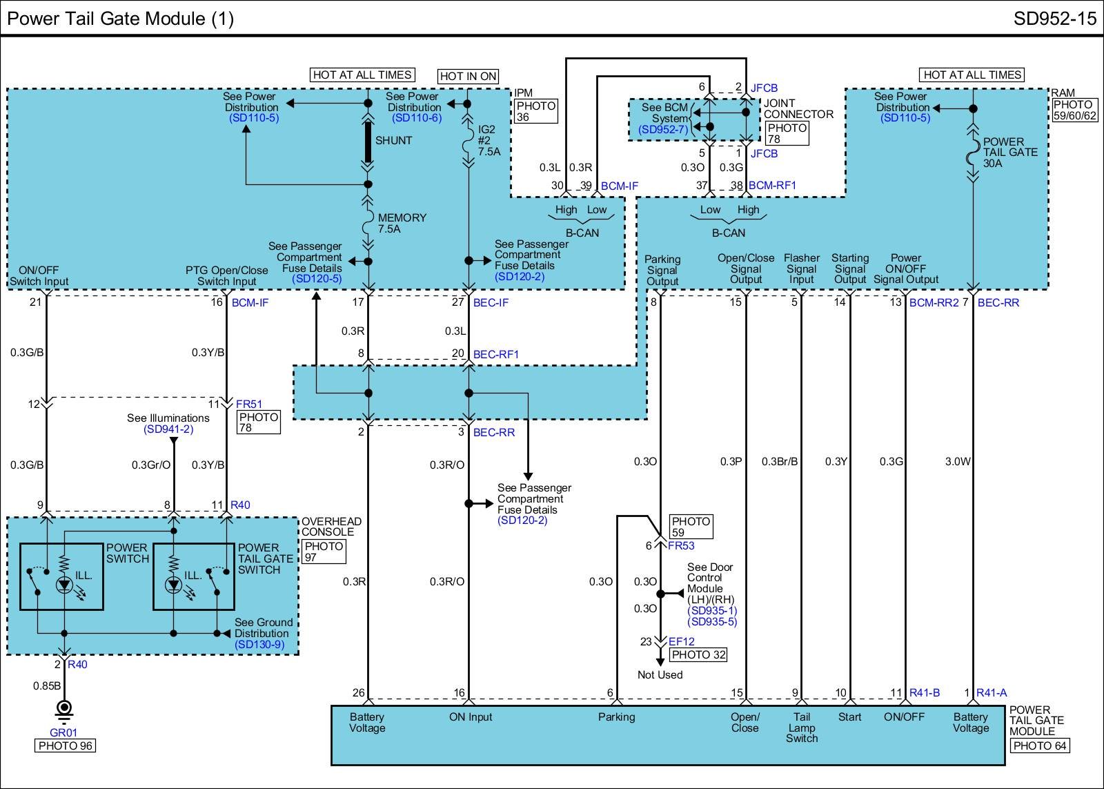
Power Tail Gate Module

SD952-15 Power Tail Gate Module (1):




SD952-16 Power Tail Gate Module (2):




Power Tail Gate Module (3) Connector Pin Outs:






Diagrams: Other diagrams referred to by SD number (i.e. SD130-4, etc.) within these diagrams can be found at Diagrams by Number. Diagrams By Number

Locations: Location photographs (references to PHOTOS) referred to within these diagrams can be found via the photo number at the vehicle level under Locations by Photo Number. Locations By Photo Number