lemon-mirror:
Home >> Kia >> 2012 >> Rondo (CANADA) L4-2.4L >> Repair and Diagnosis >> Diagrams >> Electrical Diagrams >> Powertrain Management >> Engine Control Module

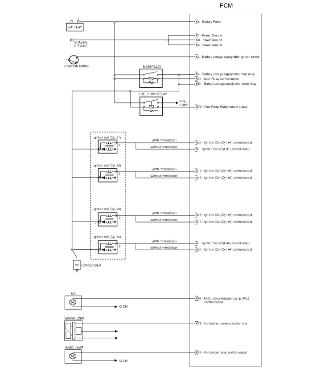
Engine Control Module





Powertrain control module (PCM)

1. PCM harness connector




2. PCM terminal function
Connector [C301-K]













Connector [C301-A]









3. Input / output signal
Connector [C301-K]





















Connector [C301-A]










Circuit diagram