lemon-mirror:
Home >> Kia >> 2012 >> Rio L4-1.6L >> Repair and Diagnosis >> Starting and Charging >> Starting System >> Keyless Starting System >> Keyless Start Control Module >> Service and Repair >> Repair Procedures

Repair Procedures





Inspection

Smart Key Unit
- Refer to the BE group - inspection / self diagnosis with GDS.

Smart Key Switch
- Refer to the BE group - inspection / self diagnosis with GDS.

Antenna
- Refer to the BE group - inspection / self diagnosis with GDS.

Trunk Lid Open Switch
1. Check for continuity between the Trunk lid open switch terminals.




2. If continuity is not specified, inspect the switch






Removal

Smart key unit
[USA]
1. Disconnect the negative(-) battery terminal.
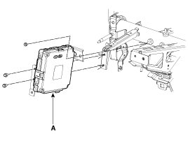
2. Remove the smart key unit (A) after disconnecting the connector and loosening the mounting nut (1EA) and bolts (2EA).




[CANADA]
1. Disconnect the negative(-) battery terminal.
2. Remove the bracket (A) after loosening the bolts (2EA).




3. Remove the smart key unit (A) after disconnecting the connector and loosening the mounting nut (1EA) and bolts (2EA).





Interior 1 Antenna

NOTE:
- Take care not to scratch the crash pad and related parts

1. Disconnect the negative(-) battery terminal.
2. Remove the heater & A/C controller.

3. Remove the interior 1 antenna (A) after disconnecting the connector and loosening the nuts (2EA).





Interior 2 Antenna
1. Disconnect the negative(-) battery terminal.
2. Remove the console.


NOTE:
Take care not to damage and scratch the console and its related parts.
Apply the protective tapes to the console and its related parts.

3. Disconnect the interior 2 antenna connector, then remove the interior 2 antenna (A) after loosening nuts (2EA).





Trunk Antenna
1. Disconnect the negative(-) battery terminal.
2. Remove the trunk transverse trim (A).




3. Disconnect the trunk antenna connector (A) and remove the trunk antenna (B) after loosening nuts (2EA).





Exterior Bumper Antenna
1. Disconnect the negative(-) battery terminal.
2. Remove the rear bumper.

3. Disconnect the antenna connector (B) and remove the exterior bumper antenna (A) after loosening the screws (2EA).





Buzzer
1. Disconnect the negative(-) battery terminal.
2. Remove the left side wheel guard.
3. Remove the external buzzer (A) after disconnecting the connector.





Door Outside Handle
1. Disconnect the negative (-) battery terminal.
2. Remove the front door module.

3. After loosening the mounting bolt, then remove the outside handle cover (A).




4. Remove the outside handle (A) by sliding it rearward.




5. Disconnect the outside handle connector.

Trunk lid open switch
1. Disconnect the negative(-) battery terminal.
2. Remove the trunk door trim.

3. Disconnect the trunk lid open switch connector (A).




4. Remove the trunk open switch (A) from the trunk garnish.






Installation

Smart Key Unit
1. Install the smart key unit.
2. Install the smart key unit mounting nuts and connector.
3. Install the negative (-) battery terminal and check the smart key system.

Interior 1 Antenna
1. Install the interior 1 antenna.
2. Install the heater & A/C controller.
3. Install the negative (-) battery terminal and check the smart key system.

Interior 2 Antenna
1. Install the interior 2 antenna.
2. Install the console.
3. Install the negative (-) battery terminal and check the smart key system.

Trunk Antenna
1. Install the trunk antenna.
2. Install the trunk transverse trim.
3. Install the negative (-) battery terminal and check the smart key system.

Exterior Bumper Antenna
1. Install the exterior bumper antenna.
2. Install the rear bumper.
3. Install the negative (-) battery terminal and check the smart key system.

Buzzer
1. Install the buzzer.
2. Install the left side wheel guard.
3. Install the negative (-) battery terminal and check the smart key system.

Trunk Lid Open Switch
1. Install the trunk lid open switch.
2. Install the trunk trim.
3. Install the negative (-) battery terminal and check the smart key system.

Door Outside Handle
1. Install the outside handle.
2. Install the door trim.
3. Install the negative (-) battery terminal and check the smart key system.