lemon-mirror:
Home >> Kia >> 2012 >> Rio L4-1.6L >> Repair and Diagnosis >> Powertrain Management >> Computers and Control Systems >> Body Control Module >> Service and Repair >> Repair Procedures

Repair Procedures





Removal

1. Disconnect the negative (-) battery terminal.
2. Remove the crash pad lower panel.


NOTE:
Take care not to scratch the crash pad and related parts.

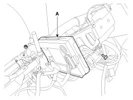
3. Disconnect the connectors and remove the BCM (A) after loosening the nut and the bolt.






Installation

1. Install the BCM.
2. Install the crash pad lower panel.