lemon-mirror:
Home >> Kia >> 2012 >> Optima L4-2.4L >> Repair and Diagnosis >> Powertrain Management >> Computers and Control Systems >> Vehicle Speed Sensor >> Diagrams >> Electrical Diagrams

Electrical Diagrams

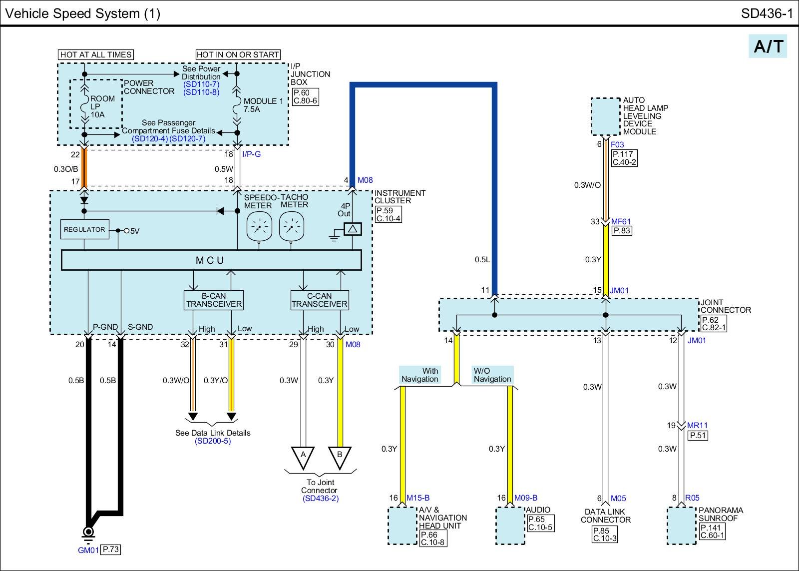
SD436-1 Vehicle Speed System (1):




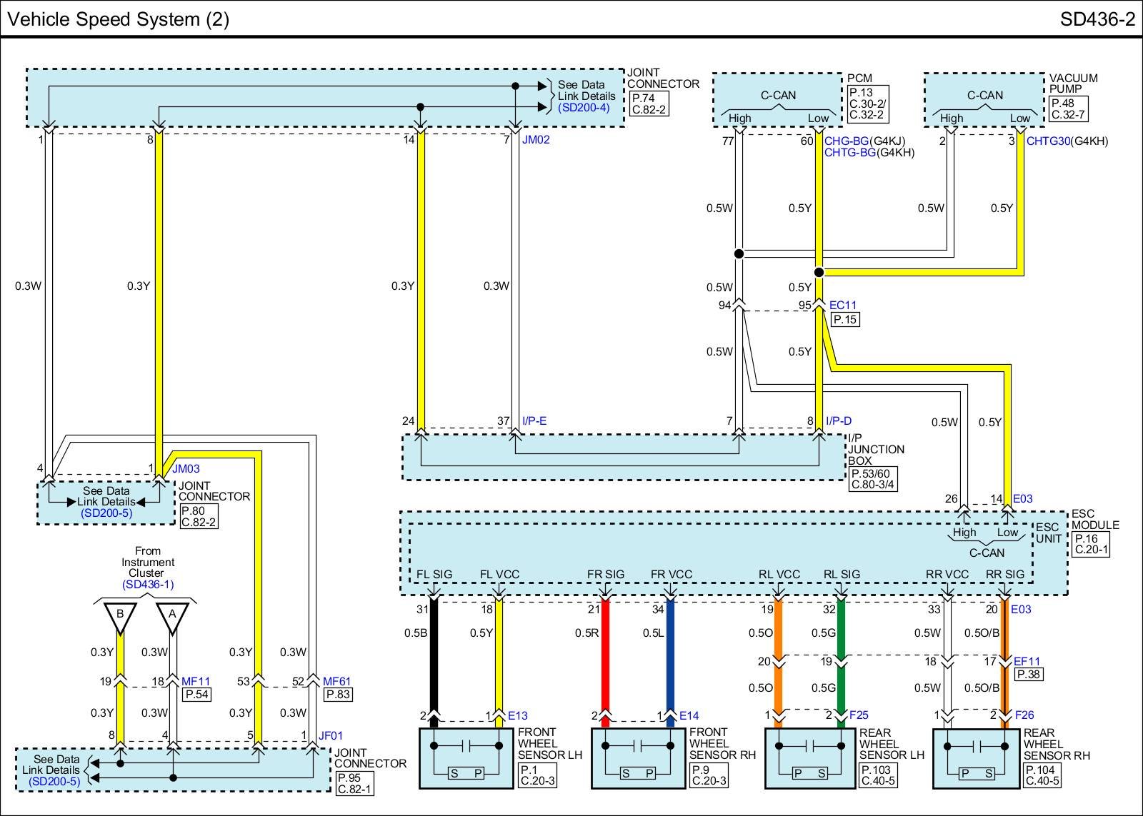
SD436-2 Vehicle Speed System (2):




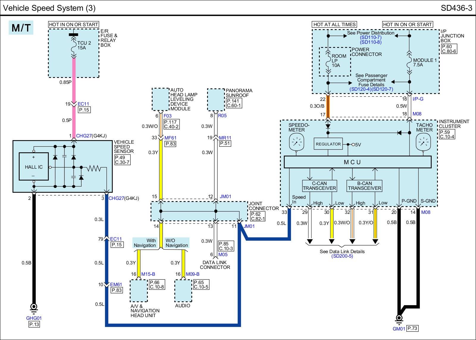
SD436-3 Vehicle Speed System (3):






Diagrams: Other diagrams referred to by SD number (i.e SD130-4, etc.) within these diagrams can be found at Diagrams by Number. Diagrams By Number

Locations: Location photographs (references to PHOTOS) referred to within these diagrams can be found via the photo number at the vehicle level under Locations by Photo Number. Locations By Photo Number