lemon-mirror:
Home >> Kia >> 2012 >> Optima L4-2.4L >> Repair and Diagnosis >> Power and Ground Distribution >> Fuse >> Locations

Fuse: Locations

Fuse & Relay Information

I/P Junction Box View:




I/P Junction Box Circuit Details:




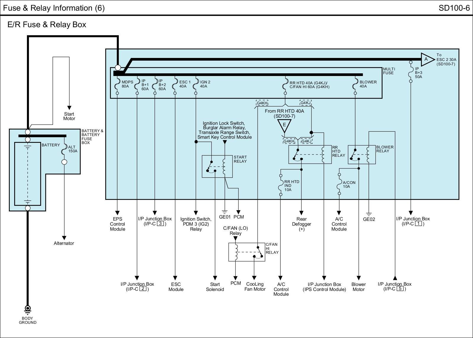
E/R Fuse & Relay Box View:




E/R Fuse & Relay Box Circuit Details:




EMS Box:




E/R Fuse & Relay Box View:




E/R Fuse & Relay Box View:




EMS Box View: