lemon-mirror:
Home >> Kia >> 2012 >> Optima L4-2.4L >> Repair and Diagnosis >> Engine, Cooling and Exhaust >> Engine >> Timing Components >> Timing Chain >> Service and Repair >> Repair Procedures >> Part 1

Part 1





Removal

CAUTION:
- Use fender covers to avoid damaging painted surfaces.
- To avoid damage, unplug the wiring connectors carefully while holding the connector portion.

NOTE:
Mark all wiring and hoses to avoid misconnection.

WARNING:
In case of removing the high pressure fuel pump, high pressure fuel pipe, delivery pipe, and injector, there may be injury caused by leakage of the high pressure fuel. So don't do any repair work right after engine stops.

1. Disconnect the battery negative terminal (A).
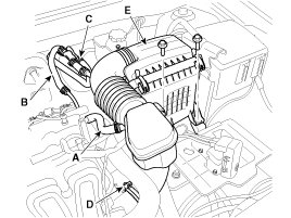
2. Remove the engine cover (B) and the air duct (C).




3. Remove the air cleaner assembly.
(1) Disconnect the breather hose (A), the brake booster vacuum hose (B) and the intensifier hose (C).
(2) Disconnect the air intake hose (D) and then remove the air cleaner assembly (E).





NOTE:
Install the air intake hose while the plate of the hose clamp must be in line with the stopper of the hose.
Install the air intake hose match groove to throttle body groove.




4. Remove the RH front wheel.
5. Remove the under covers (A,B).

Tightening torque:
7.8 - 11.8N.m (0.8 - 1.2kgf.m, 5.8 - 8.7lb-ft)





NOTE:
When removing the under cover (B), unfasten the mounting bracket bolts and then remove the under cover and mounting bracket assembly.

6. Turn the crankshaft pulley and align its groove with the timing mark of the timing chain cover to set the piston of No.1 cylinder to the top dead center on compression stroke.




7. Disconnect the exhaust OCV (Oil control valve) connector (A).




8. Disconnect the ignition coil connectors (A) and the fuel pump connector (B), then remove the wiring protector (C).




9. Remove the ignition coils (A).




10. Disconnect the fuel hose (A) and PCSV (Purge control solenoid valve) hose (B).




11. Disconnect PCSV (Purge control solenoid valve) connector (A) and loosen the vacuum & PCSV (Purge control solenoid valve) pipe assembly mounting bolts and nut.




12. Remove the high pressure pipe (A).




13. Remove the high pressure fuel pump (A) and the roller tappet (B).




14. Disconnect the PCV (Positive crankcase ventilation) hose (A).




15. Remove the front engine hanger (A).




16. Remove the cylinder head cover (A).




17. Remove the drive belt (A) after turning the drive belt tensioner (B) counterclockwise.




18. Remove the A/C compressor lower bolts (A).




19. Remove the A/C compressor bracket (A).




20. Drain the engine oil.
21. Remove the oil pan (A). Insert the blade of SST (09215-3C000) between the ladder frame and oil pan. Cut off applied sealer and remove the lower oil pan.





NOTE:
- Insert the SST between the oil pan and the ladder frame by tapping it with a plastic hammer in the direction of 1 arrow.
- After tapping the SST with a plastic hammer along the direction of 2 arrow around more than 2/3 edge of the oil pan, remove it from the ladder frame.
- Do not turn over the SST abruptly without tapping. It is result in damage of the SST.
- Be careful not to damage the contact surfaces of ladder frame and lower oil pan.

22. Set the jack to the edge of ladder frame.

NOTE:
Put the wooden block between ladder frame and jack.

CAUTION:
Be careful not to damage the balance shaft & oil pump module.

23. Disconnect the ground line (A), and then remove the engine mounting support bracket (B).




24. Remove the idler (A), the water pump pulley (B), the crankshaft pulley (C) and the drive belt tensioner pulley (D).





CAUTION:
Tensioner pulley bolt is left-handed screw.

NOTE:
There are two methods to hold the ring gear when installing or removing the crankshaft damper pulley.
- Install the SST (09231-3K000) to hold the ring gear after removing the starter.




- Install the SST (09231-3D100) to hold the ring gear after removing the dust cover.
1. Remove the dust cover (A) on the bottom of the ladder frame and unfasten the two transaxle mounting bolts (B).




2. Adjust the length of the holder nuts (A) so that the front plate of the holder (B) puts in the ring gear (C) teeth.
3. Adjust the angle of the links (D) so that the two transaxle mounting bolts can be fastened to the original mounted holes.




4. Install the SST (09231-3D100) using the two transaxle mounting bolts and spacers. Tighten the bolts and nuts of the holder and links securely.





25. Remove the drive belt tensioner (A).




26. Remove the engine support bracket (A).




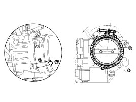
27. Remove the timing chain cover (A) by gently prying the portions between the cylinder head and cylinder block.





CAUTION:
Be careful not to damage the contact surfaces of cylinder block, cylinder head and timing chain cover.

28. Make sure that the key (A) of crankshaft is aligned with the mating surface of main bearing cap. As a result of this, the piston of No.1 cylinder is placed at the top dead center on compression stroke.




29. Release the ratchet by pulling the link down using a thin rod. Compress the piston and then insert a stopper pin (A) into the hole on the ratchet to hold the compressed piston. Remove the timing chain tensioner (B).




30. Remove the timing chain tensioner arm (A).




31. Remove the timing chain (A).




32. Remove the timing chain guide (A).




33. Remove the timing chain oil jet (A) and the crankshaft chain sprocket (B).




34. Remove the balance shaft chain.

Inspection

Sprockets, Chain Tensioner, Chain Guide, Chain Tensioner Arm
1. Check the camshaft sprocket and crankshaft sprocket for abnormal wear, cracks, or damage. Replace as necessary.
2. Inspect the tensioner arm and chain guide for abnormal wear, cracks, or damage. Replace as necessary.
3. Check that the tensioner piston moves smoothly when the ratchet pawl is released with thin rod.

Drive belt, Idler, Pulley
1. Check the idler for excessive oil leakage, abnormal rotation or vibration. Replace if necessary.
2. Check belt for maintenance and abnormal wear of V-ribbed part. Replace if necessary.
3. Check the pulleys for vibration in rotation, oil or dust deposit of V-ribbed part. Replace if necessary.

Installation

1. Install the balance shaft chain.
2. Install the crankshaft chain sprocket (B) and the timing chain oil jet (A).

Tightening torque:
7.8 - 9.8N.m (0.8 - 1.0kgf.m, 5.8 - 7.2lb-ft)




3. Set the crankshaft so that the key (A) of crankshaft will be aligned with the mating surface of main bearing cap. Put the intake and exhaust camshaft assembly so that the TDC marks (B) of the intake and exhaust CVVT sprockets will be aligned with the top surface of cylinder head. As a result of this, the piston of No.1 cylinder is placed at the top dead center on compression stroke.








4. Install the timing chain guide (A).

Tightening torque:
9.8 - 11.8N.m (1.0 - 1.2kgf.m, 7.2 - 8.7lb-ft)




5. Install the timing chain. To install the timing chain with no slack between each shaft (cam, crank), follow the below procedure.
Crankshaft sprocket (A) -> Timing chain guide (B) -> Intake CVVT sprocket (C) -> Exhaust CVVT sprocket (D).





NOTE:
The timing marks of each sprocket should be matched with timing marks (color link) of timing chain when installing the timing chain.








6. Install the timing chain tensioner arm (A).

Tightening torque:
9.8 - 11.8N.m (1.0 - 1.2kgf.m, 7.2 - 8.7lb-ft)




7. Install the timing chain auto tensioner (B) and remove the stopper pin (A).

Tightening torque:
9.8 - 11.8N.m (1.0 - 1.2kgf.m, 7.2 - 8.7lb-ft)




8. After rotating crankshaft 2 revolutions in regular direction (clockwise viewed from front), confirm that the TDC marks (A) on the intake and exhaust CVVT sprockets aligned with the top surface of cylinder head.




9. Install the timing chain cover.
(1) Using a gasket scraper, remove all the old packing material from the gasket surfaces.
(2) The sealant locations on chain cover and on counter parts (cylinder head, cylinder block, and ladder frame) must be free of engine oil and etc.
(3) Before assembling the timing chain cover, liquid sealant Loctite 5900H or equivalent should be applied on the gap between cylinder head and cylinder block. The part must be assembled within 5 minutes after sealant was applied.

Bead width:3.0mm (0.12in.)




(4) After applying liquid sealant Loctite 5900H or equivalent on the timing chain cover.
The part must be assembled within 5 minutes after sealant was applied. Continuous bead of sealant should be applied to prevent any path of oil leakage.

Bead width:3.0mm (0.12in.)




(5) The dowel pins on the cylinder block and holes on the timing chain cover should be used as a reference in order to assemble the timing chain cover to be in exact position.

Tightening torque:
Bolts A (M6•25) :
7.8 - 9.8N.m (0.8 - 1.0kgf.m, 5.8 - 7.2lb-ft)
Bolts B (M8•28) :
18.6 - 22.5N.m (1.9 - 2.3kgf.m, 13.7 - 16.6lb-ft)





CAUTION:
The engine starting or pressure tests should not be performed within 30 minutes after the timing chain cover was assembled.