lemon-mirror:
Home >> Kia >> 2012 >> Optima L4-2.4L >> Repair and Diagnosis >> Body and Frame >> Mirrors >> Power Mirror Switch >> Service and Repair

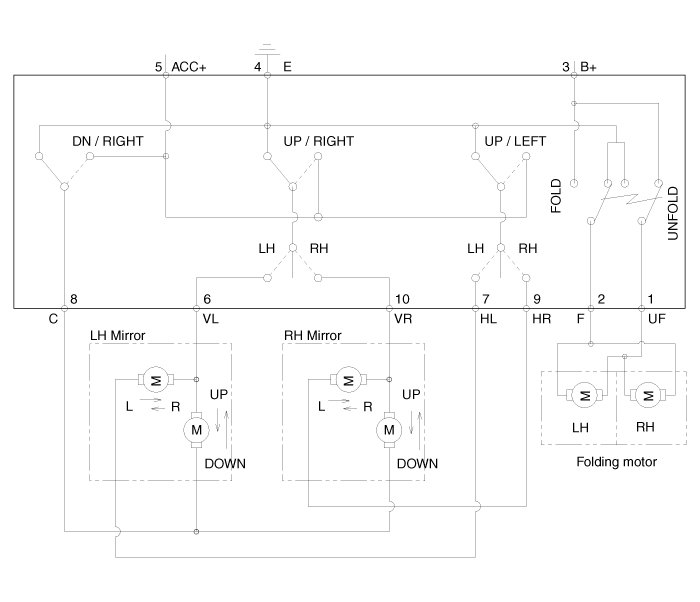
Power Mirror Switch: Service and Repair





Component (1)





Component (2)