lemon-mirror:
Home >> Kia >> 2012 >> Optima L4-2.4L Hybrid >> Repair and Diagnosis >> Diagrams >> Electrical Diagrams >> Automatic Transmission/Transaxle >> Control Module, A/T >> Transaxle Control Module (TCM)

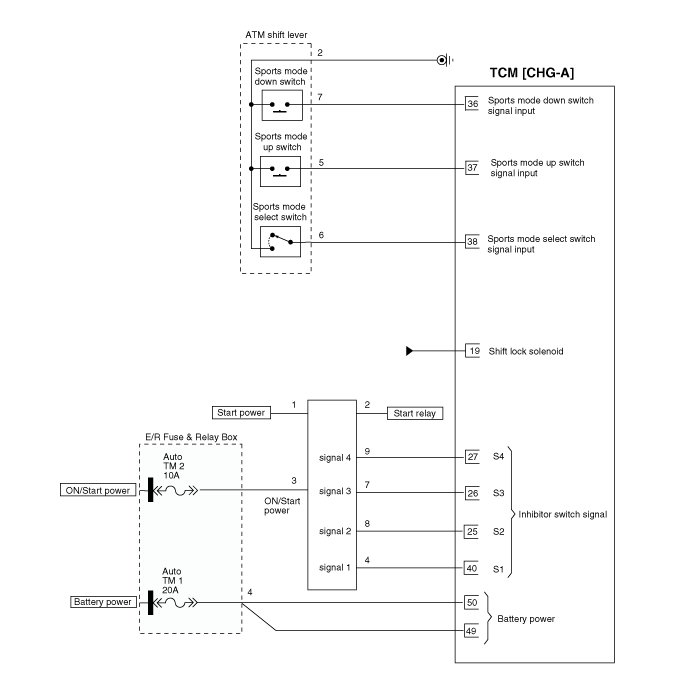
Transaxle Control Module (TCM)





TCM connector and terminal function





TCM terminal function

Connector [CHG-A]





Connector [CHG-K]






TCM Terminal input/ output signal
Connector [CHG-A]

















Connector [CHG-K]






Circuit Diagram