lemon-mirror:
Home >> Kia >> 2012 >> Optima L4-2.4L Hybrid >> Repair and Diagnosis >> Body and Frame >> Locks >> Keyless Entry >> Keyless Starting System >> Keyless Start Control Module >> Diagrams >> Electrical Diagrams

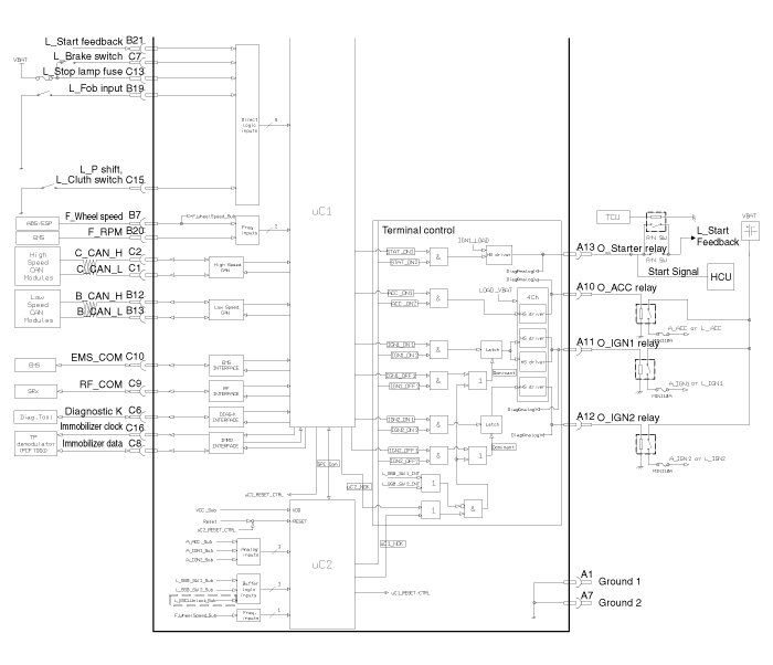
Electrical Diagrams





Circuit Diagram