lemon-mirror:
Home >> Kia >> 2012 >> Forte L4-2.4L >> Repair and Diagnosis >> Body and Frame >> Body Control Systems >> Body Control Module >> Description and Operation

Body Control Module: Description and Operation





Description





Function

Wiper Control
1. Wiper Data Flow




2. Washer Interlocking Wiper
(1) Turn Wiper Enable Relay ON after T1 when turning Washer switch ON at the status of IGN2 ON and if the input of Washer switch is between 0.06 and 0.2sec, turn the output of Wiper Enable Relay OFF after T3.But, ignore the input of Washer switch occurred while Wiper Enable Relay is being operated and accept it from the input of Washer switch after operating Wiper Enable Relay.




T1 : 0.2 ± 0.03sec, T2 : 0.06 - 0.2sec, T3 : 0.7 ± 0.1sec
T3 = 0 (In case of T2 ≤ 0.06 sec.)
(2) Turn Wiper Enable Relay ON after T1 when turning Washer switch ON at the status of IGN2 ON and if the input of Washer switch is more than 0.2sec, turn the output of Wiper Enable Relay OFF for 2.5~3.8sec after turning Washer switch OFF.
But, ignore the input of Washer switch occurred while Wiper Enable Relay is being operated and accept it from the input of Washer switch after operating Wiper Enable Relay.




T1 : 0.2 ± 0.02s, T2 : over 0.2s, T3 : 2.5 - 3.8s
(3) Turn the output of WASHER INTERLOCKING WIPER when Washer switch is turned ON for more than 0.2sec during the operation of INT WIPER. If Washer switch is turned on for less than 0.2sec, turn the output of Wiper Enable Relay once.




T1 : 0.2 ± 0.02s, T2 : over 0.2s,
T3 : 2.5 - 3.8s, T4 : INT TIME - 0.7s,
T5 : 0.2 - 0.06s, T6 : 0.7 ± 0.1s
(4) In case of starting (IGN1 ON & IGN2 OFF) ignore the input of Washer switch.
3. Mist Interlocking Wiper
(1) Turn the output of Wiper Enable Relay for 700ms when turning Mist switch ON at the status of IGN2 ON.




T1 : Min 60 ms, T2 : Max 100ms,
T3 : 700 ± 100ms
(2) If the input of Mist switch is continuous (for more than 700ms), keep the condition of Wiper Enable Relay is ON and if Mist switch is turned OFF turn the output of Wiper Enable Relay for 700ms from that point.
(3) Ignore the input of Mist switch while operating WIPER by INT WIPER, WASHER Interlocking WIPER.




T1 : Min 60 ms, T2 : Max 100ms,
T3 : 700 ± 100ms, T4 : 700ms
4. INT Wiper
(1) Variable INT Wiper is operated by INT volume when the input of INT WIPER switch is ON at the status of IGN2 ON.




T1 : 0.7 +/- 0.1sec, T2 : Interval Time

Rear Wiper Control
1. Operate intermittently after rear wiper relay turns ON for 10 sec if rear wiper SW turns ON at the status of IGN2 On.
2. The rear wiper relay is intermittently ON for 6 sec. and OFF for 0.7 sec.




T1 : 10 ± 1s, T2 : 6 ± 0.6s, T3 : 0.7 ± 0.1s

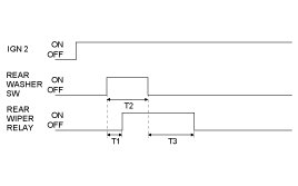
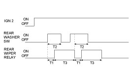
Rear Washer Interlocking Rear Wiper Control
1. Turn rear wiper relay ON after 1 sec. if rear washer SW is ON at the status of IGN2 SW ON and turn rear wiper relay OFF after T3 if turning the input of rear washer SW ON for 0.2 - 0.6 sec.
But ignore the input of rear washer SW occurred while rear washer wiper is being operated and accept it from the input of rear washer SW after operating rear wiper relay.




T1 : 0.3 ± 0.1s, T2 : 0.2 - 0.6s, T3 : 0.7 ± 0.1s
T3=0 (In case of T2 ≤ 0.2 sec.)
2. Turn the output of rear wiper ON after T1 if rear washer SW is ON at the status of IGN2 SW ON and turn the output of rear wiper OFF after ON if turning rear washer SW OFF and then ON for 2.5 - 3.8 sec. in case of the input of washer SW is on for more than 0.6 sec.
But, ignore the input of rear washer SW occurred while rear washer wiper is being operated and accept it from the input rear washer SW after operating rear washer wiper.




T1 : 0.3 ± 0.1s, T2 : Min 0.6s, T3 : 3s
3. Ignore the input of rear washer SW while rear wiper is being operated continuously by rear wiper SW.
4. If occurring the input of rear washer SW, rear washer interlocking rear wiper function is priority while operating intermittent rear wiper by the rear wiper SW

Lamp Control
1. Exterior Lamp Control Data Flow




2. Tail Lamp Auto Cut
(1) Turn IGN KEY OFF when turning Tail switch ON after turning IGN KEY ON and turn Tail Lamp Relay OFF (automatic blackout) when opening Driver door switch.
(2) Also, turn Tail Lamp Relay OFF (automatic blackout) even though IGN KEY is turned OFF after opening Driver door switch at the condition that IGN KEY is ON.
(3) When turning Tail switch ON again from OFF after the automatic blackout, Tail Lamp Relay will be turned ON and AUTO CUT function will be cancelled.
(4) When turning IGN KEY ON after the automatic blackout, Tail Lamp Relay will be turned ON and AUTO CUT function will be cancelled.
(5) AUTO CUT will be kept when removing or installing B+ at the status of AUTO CUT.
(6) Tail Lamp Relay will be kept turning OFF though Driver door switch is closed from opened at the status of AUTO CUT.




*1 IGN ON : KEY IN ON or ACC ON or IGN1 ON or IGN2 ON (NON SMK)
SSB switch ON or FOB IN ON or ACC ON or IGN1 ON or IGN2 ON (SMK)
3. Head Lamp Low
(1) Turn Head Lamp Relay ON when turning Head Lamp switch ON while IGN1 is ON.
(2) Turn Head Lamp Relay OFF if IGN1 OFF or Head Lamp switch is OFF.
(3) Do not control things above if Head Lamp Relay can be controlled by Auto Light function.




4. Front Fog Lamp
(1) Turn Front fog relay ON when turning Head lamp high switch OFF while IGN2 and Head lamp relay ON.
(2) Turn Front fog relay OFF when turning Front fog switch OFF while Front fog relay ON.
(3) Turn Front fog relay OFF when turning IGN2 OFF while Front fog relay ON.
(4) Turn Front fog relay OFF when turning Head lamp high switch ON while Front fog relay ON.
At this time, turn the front fog relay ON when Head lamp switch OFF.





NOTE:
Front Fog Lamp switch is push Lock Type

Warning Control
1. Warning Control Data Flow




2. Seat Belt Reminder
(1) From State Ign1 Off (Default State)










(2) From State Ign1 On Driver Belted















(3) From State IGN1 On Driver Unbelted




















(4) From State Pattern















3. Key Operated Warning
(1) When Driver Door switch is ON at the status of KEY IN ON, Buzzer will be outputted per 0.6sec continuously.
(2) If KEY IN turns OFF or Driver Door switch is CLOSED during Buzzer output, the output will turn OFF.
(3) When IGN1 turns ON while outputting, the output will be stopped.




T1 : 0.6 ± 0.1sec

NOTE:
KEY IN ON : Key In ON (SMK : FOB IN ON)
KEY IN OFF : Key In OFF (SMK : FOB IN OFF)

4. ESCL Not Locked Warning (SMK option)
(1) When receiving ESCL Not locked Warning(CAN) ON, when releasing while putting a alarm into effect, it'll be canceled immediately.




T1 : 0.6 ± 0.1sec
5. ESCL Not Unlocked Warning (SMK option)
(1) When receiving ESCL Not unlocked Warning(CAN) ON, chime buzzer ON for 1 sec.




T1 : 1.0 ± 0.1sec
6. SSB Switch Warning (SMK option)
(1) When receiving SSB Warning (CAN) ON, outputting a alarm, and when receiving OFF, a stop will do a alarm immediately.




T1 : 0.6 ± 0.1sec
7. ID OUT Warning (SMK Option)
(1) When receiving ID OUT Warning ON, Outputting a alarm, and when receiving OFF, a stop will do a alarm immediately.





Defogger & Deicer Timer Control
1. Defogger & Deicer Control Data Flow




2. Defogger Timer
(1) If Defogger switch turns ON after Alt L is ON while IGN1 is ON, turn Defogger Relay output ON for 20min. (It is operated while ENGINE is RUNNING)
(2) If Defogger switch turns ON again while Defogger Relay output is ON, turn Defogger Relay output OFF.
(3) Also turn Defogger output OFF in case of Alt L OFF or IGN1 OFF while Defogger Relay output is ON.
(4) If Alt L is over 10 Volts ENGINE is RUNNING (Alt L ON) and if Alt L is less than 5 Volts ENGINE is STOPPED (Alt L OFF). Also, Alt L is between 5 and 10 Volts, keep the previous condition.
(5) Defogger Relay should not be outputted when turning Alt L ON while Defogger SW is pressed.




T1 : 20 ± 1min
3. Front Deicer Timer
(1) Turn Deicer Relay output ON for 20min when turning Deicer switch ON after turning Alt L ON while IGN1 is ON (It is operated while ENGINE is RUNNING.)
(2) Turn Deicer Relay output OFF if Deicer switch turns ON again while Deicer Relay output is ON.
(3) Also Deicer Relay output OFF when turning ALT "L" or IGN1 OFF while Deicer Relay output is ON.
(4) If Alt L is over 10 Volts ENGINE is RUNNING (Alt L ON) and if Alt L is less than 5 Volts ENGINE is STOPPED (Alt L OFF). Also, Alt L is between 5 and 10 Volts, keep the previous condition.
(5) Deicer Relay should not be outputted when turning Alt L ON while Deicer switch is pressed.




T1 : 20 ± 1min
4. Power Window Timer




(1) Turn Power window Relay output ON when turning IGN2 ON.
(2) Turn Power window Relay output OFF after keeping Power window Relay output for 30sec when IGN2 is OFF.
(3) Turn Power window Relay OFF immediately when opening Driver Door switch or Passenger Door switch within the condition (2) above.
(4) Turn Power window Relay output OFF when IGN2 is OFF while Driver Door switch or Passenger Door switch is open.




T1 : 30 ± 3sec

Door Lock/unlock Control
1. Door Lock/unlock Control Data Flow




2. Door Lock/unlock Relay Control (2-Turn Unlock)
(1) Non-applicable Spec For 2-Turn









(1) If Driver door Key Unlock Switch turns OFF from ON within T1 after Driver door Key Unlock Switch turns ON from OFF(Driver door Unlock Switch becomes UNLOCKED mechanically and does not output BCM.), turn Door Unlock Relay output ON during T2.
(2) If TX UNLOCK is received within T1 after Driver door key unlock switch turns ON from OFF(Driver door unlock switch becomes UNLOCKED mechanically and does not output BCM.), turn Driver door unlock relay and Door unlock relay output ON during T2.
(3) Turn Driver door unlock relay output ON during T2 when receiving TX UNLOCK signal. However, turn Driver door unlock relay and Door unlock relay output during T2 if TX UNLOCK is received within T1.
(4) Also, turn Driver door unlock relay and Door unlock relay ON during T2 in case that Driver door key unlock switch turns ON from OFF within T1 after receiving TX UNLOCK.
(5) Regard as the same TX even though different signal which is registered within T1 is received.




3. Central Door Lock/unlock
(1) If Driver Door Key Lock switch or Passenger Door Key Lock switch turns ON, turn Door Lock Relay output ON during T1. But prohibit the output when KEY IN ON *2) and IGN1 are ON.
(2) When Driver Door Key Unlock and Passenger Door Key Unlock turn ON, turn Door Unlock Relay and Driver Door Unlock Relay output ON during T1.
(3) Turn CENTRAL LOCK *3) ON during T1 when receiving TX LOCK signal.
But ignore LOCK input when Driver Door SW or Passenger Door switch is ON.
Ignore Passive Lock input when Driver Door switch or Passenger Door switch is ON. (SMK)
(4) Turn CENTRAL UNLOCK *4)ON during T1 when receiving TX UNLOCK signal.
(5) Turn Door Lock Relay output ON during T1 when Power window Door Lock switch turns ON.
(6) Turn CENTRAL UNLOCK output ON during T1 when Power window Door Unlock switch turns ON. But prohibit the operation by Power window Door Unlock switch at the condition of ARM, ARM WAIT, REARM and ALARM.
(7) LOCK/UNLOCK by SAFETY KNOB is not interlock (Mechanical operation).
(8) Malfunction should be free when joining BATTERY (Also malfunction should be free at the location of Key In switch ON).
(9) Input which is less than 60msec should not be received (KEY LOCK/UNLOCK switch).
(10) Do not execute the output of DOOR LOCK (UNLOCK) by KNOB change.
*2) KEY IN ON : Key In ON
*3) CENTRAL LOCK : Refer to control mode for each Spec.
*4) CENTRAL LOCK : Refer to control mode for each Spec.




T1 : 0.5 ± 0.1sec
4. IGN Key Reminder
(1) This function will not be operated if the speed of cars exceeds 3km/h.
(2) Perform Door unlock relay output for 1s after 0.5s when the condition becomes to be KEY IN = ON & Driver door switch = OPEN & Driver door unlock switch = LOCK (Regions for North America).
(3) Perform Driver unlock relay output for 1s after 0.5s when the condition becomes to be KEY IN = ON & Driver door switch = OPEN & Driver door unlock switch = LOCK.( Spec for North America ONLY)
(4) Perform Door unlock relay output for 1s in 0.5s when the condition becomes to be KEY IN = ON & Assist door switch = OPEN & Assist door unlock switch = LOCK
(5) Output CENTRAL UNLOCK for 1s in 0.5s based on (4) if (2), (3) and (4) are satisfied.
(6) Output UNLOCK up to 3 times (excluding output for 1s) if LOCK condition is maintained though UNLOCK output is performed for 1s by (2), (3), (5)(cycle for 1s: 0.5s ON/OFF ).
(7) Try UNLOCK once when DOOR is CLOSED while keeping LOCK condition after performing (7).
(8) Output Driver unlock relay once only for 1s when Driver door switch is closed within 0.5s since Driver door unlock switch is changed from UNLOCK to LOCK during KEY IN = ON (North America SPEC ONLY).
(9) Output CENTRAL UNLOCK once only for 1s when Assist door switch is closed within 0.5s since Assist door unlock switch is changed from UNLOCK to LOCK during KEY IN = ON.
(10) Output Driver unlock relay for 1s when Driver door unlock switch becomes LOCK from UNLOCK within 0.5s since Driver door switch is changed from OPEN to CLOSE during KEY IN = ON (North America SPEC ONLY)
(11) Output CENTRAL UNLOCK once only for 1s if Assist door unlock switch becomes to be LOCK from UNLOCK within 0.5s since Assist door switch is changed from OPEN to CLOSE during KEY IN = ON
(12) Perform the function of KEY REMINDER when turning Power window door lock switch ON after opening Driver door switch or Assist door switch during KEY IN = ON.
(13) Judge if RETRY output is performed or not at the point of the beginning of RETRY output (in 1.5s from the initial UNLOCK output).
(14) Output UNLOCK though the condition is not kept for 0.5sec after realizing that of UNLOCK. But, do not output UNLOCK in case that KEY IN is OFF at the point of 0.5s passed after realizing the condition by the change of UNLOCK -> LOCK in Driver door unlock switch or Assist door unlock switch.




T1, T3 : 0.5 ± 0.1sec, T2 : 1 ± 0.1sec,
T4 : 0.5sec Max
** KEY IN ON : Key In ON (FOB IN ON) or IGN1 ON or IGN2 ON
KEY IN OFF : Key In OFF (FOB IN OFF) and IGN1 OFF and IGN2 OFF
5. Passive key reminder unlock (SMK option)
(1) This function will not be operated if the speed of cars exceeds 3km/h.
(2) Output Door unlock relay for 1s when receiving KEY REMIND (LIN) signal from SMK(smart key) ECU.
(3) Output UNLOCK up to 3 times if LOCK condition is maintained though UNLOCK is outputted for 1s by (2)(the cycle for 1s: 0.5s ON/OFF)




T1 : 1 ± 0.1sec, T2 : 0.5 ± 0.1sec,
6. Crash Door Unlock
(1) Always perform CENTRAL UNLOCK *9) output whenever Crash Input signal is inputted while IGN1 is ON.
(2) Keep CENTRAL UNLOCK output for the time left though IGN1 turns OFF from ON while outputting CENTRAL UNLOCK.
(3) Do not output CENTRAL UNLOCK if IGN1 switch turns ON from OFF after Crash Input signal is already inputted.
(4) Output CENTRAL UNLOCK during T3 if Driver Door Unlock switch or Passenger Door Unlock switch or Rear Right Door Unlock switch or Rear Left Door Unlock switch turns to LOCK from UNLOCK after outputting CENTRAL UNLOCK.
(5) Do not perform AUTO DOOR LOCK function at the condition of CRASH UNLOCK.
(6) CRASH DOOR UNLOCK function has priority to LOCK/UNLOCK control by other functions.
(7) Ignore the request for LOCK/UNLOCK by other functions while or after outputting CRASH DOOR UNLOCK. But, control LOCK/UNLOCK by other functions if IGN1 switch becomes OFF.




T1 : 0.2sec, T2 : 40msec,
T3 : 5 ± 0.5sec
7. Auto Door Lock
(1) AUTO DOOR LOCK is classified into non-activation/ 20km activation/ shift lever change by using SCAN TOOL.
(2) On condition of IGN1 switch ON, turn Door Lock Relay output ON within T1 when keeping more than setting speed in (1). But, do not output LOCK if all DOORS are LOCKED or FAIL at first.
(3) Perform outputting LOCK up to 3 times (cycle for 1s) if either of DOORS is UNLOCKED after outputting LOCK in (2). But, ignore the DOOR that has changed to LOCK condition from UNLOCK during the output 3 times.
(4) Regard the respective DOOR FAILED if it is UNLOCKED after outputting 3 times.
(5) Output LOCK once only if the DOOR is UNLOCKED after the failed DOOR changes(UNLOCK->LOCK).
(6) Output LOCK once only if DOOR which was LOCKED after outputting LOCK in (2) becomes to be UNLOCKED.
But, output LOCK once for the respective DOOR although it keeps UNLOCK after LOCK output.
(7) Clear the FAILED DOOR when IGN1 switch is OFF.
(8) Do not perform AUTO DOOR LOCK function on condition of CRASH UNLOCK.




T1 : Max 1.5sec, T2 : 0.5 ± 0.1sec
*1 ON (UNLOCK) : Driver DR Unlock switch|Passenger DR Unlock switch|Rear Right DR Unlock switch|Rear Left DR Unlock switch UNLOCK
OFF (LOCK) : Driver DR Unlock switch|Passenger DR Unlock switch|Rear Right DR Unlock switch|Rear Left DR Unlock switch LOCK
8. Auto Door Unlock
(1) AUTO DOOR UNLOCK is classified into non-activation / 20Km activation / 40Km activated / shift lever change by using SCAN TOOL.
(2) If it is set up to be activated, turn DR Unlock Relay ON when turning KEY IN OFF after KEY IN is ON. (But, if all conditions for KNOB are UNLOCK, it will not output.)
(3) AUTO DOOR UNLOCK should operate after outputting AUTO DOOR LOCK (UNLOCK OUTPUT will not occur though the key is removed later if LOCK OUTPUT did not occur because all KNOBS are already LOCKED even though it reached to the operating speed of AUTO DOOR LOCK.)




T1 : 0.5 ± 0.1sec
*1 ON (UNLOCK) : Driver DR Unlock switch|Passenger DR Unlock switch|Rear Right DR Unlock switch|Rear Left DR Unlock switch UNLOCK
OFF (LOCK) : Driver DR Unlock switch|Passenger DR Unlock switch|Rear Right DR Unlock switch|Rear Left DR Unlock switch LOCK
*2 KEY IN ON : Key In ON or IGN1 ON or IGN2 ON
KEY IN OFF : Key In OFF and IGN1 OFF and IGN2 OFF

Trunk Release Control
1. Trunk Release Control Data Flow




2. Trunk Release Relay Control
(1) Turn Trunk Release Relay ON during T1 when TX TRUNK or SMK(RKE TRUNK, TRUNK REOPEN) is ON.
(2) If ALL DOOR UNLOCK and TRUNK LID is OFF -> ON, Trunk Release Relay is ON during T1.(SMK option)




T1 : 0.5 ± 0.1sec