lemon-mirror:
Home >> Kia >> 2011 >> Soul L4-2.0L >> Repair and Diagnosis >> Diagrams >> Electrical Diagrams >> Powertrain Management >> Engine Control Module

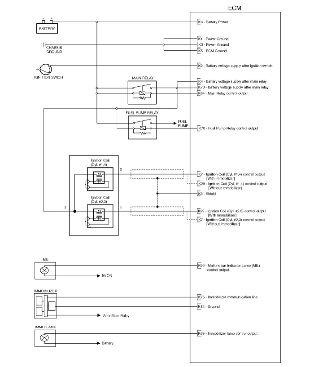
Engine Control Module





Circuit Diagram