lemon-mirror:
Home >> Kia >> 2011 >> Soul L4-2.0L >> Repair and Diagnosis >> Body and Frame >> Locks >> Keyless Entry >> Keyless Starting System >> Keyless Start Control Module >> Diagrams >> Electrical Diagrams >> Button Engine Start System

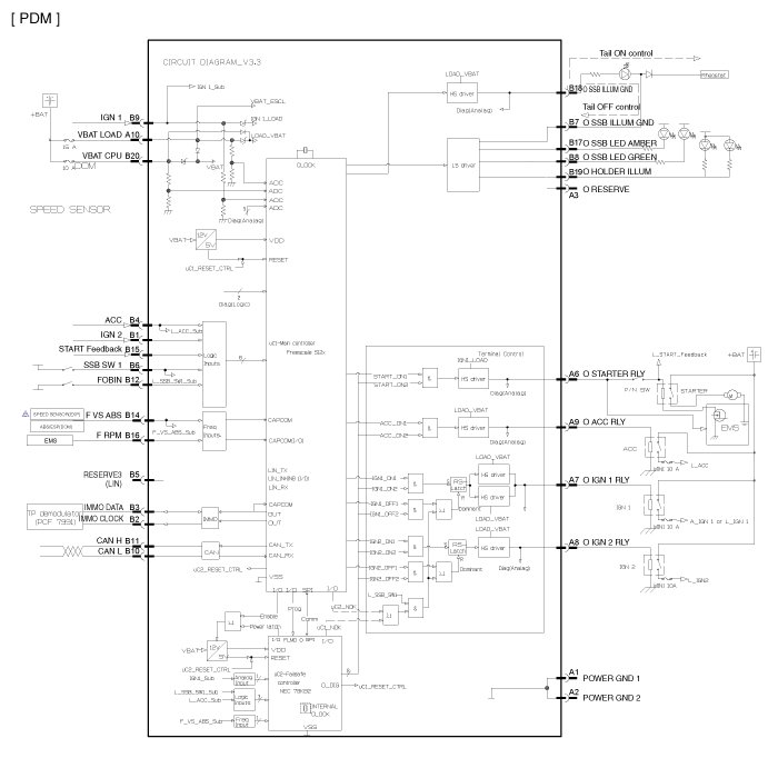
Button Engine Start System





System Circuit Diagram