lemon-mirror:
Home >> Kia >> 2011 >> Soul L4-1.6L >> Repair and Diagnosis >> Diagrams >> Electrical Diagrams >> Powertrain Management >> Engine Control Module

Engine Control Module





ECM Terminal And Input/Output signal

ECM Harness Connector (A/T)




ECM Terminal Function (A/T)
Connector [EGGA-K]













Connector [EGGA-A]









ECM Terminal Input/Output Signal (A/T)
Connector [EGGA-K]













Connector [EGGA-A]













ECM Harness Connector (M/T)




ECM Terminal Function (M/T)
Connector [EGGM-K]













ECM Terminal Input/Output Signal (M/T)
Connector [EGGM-K]


















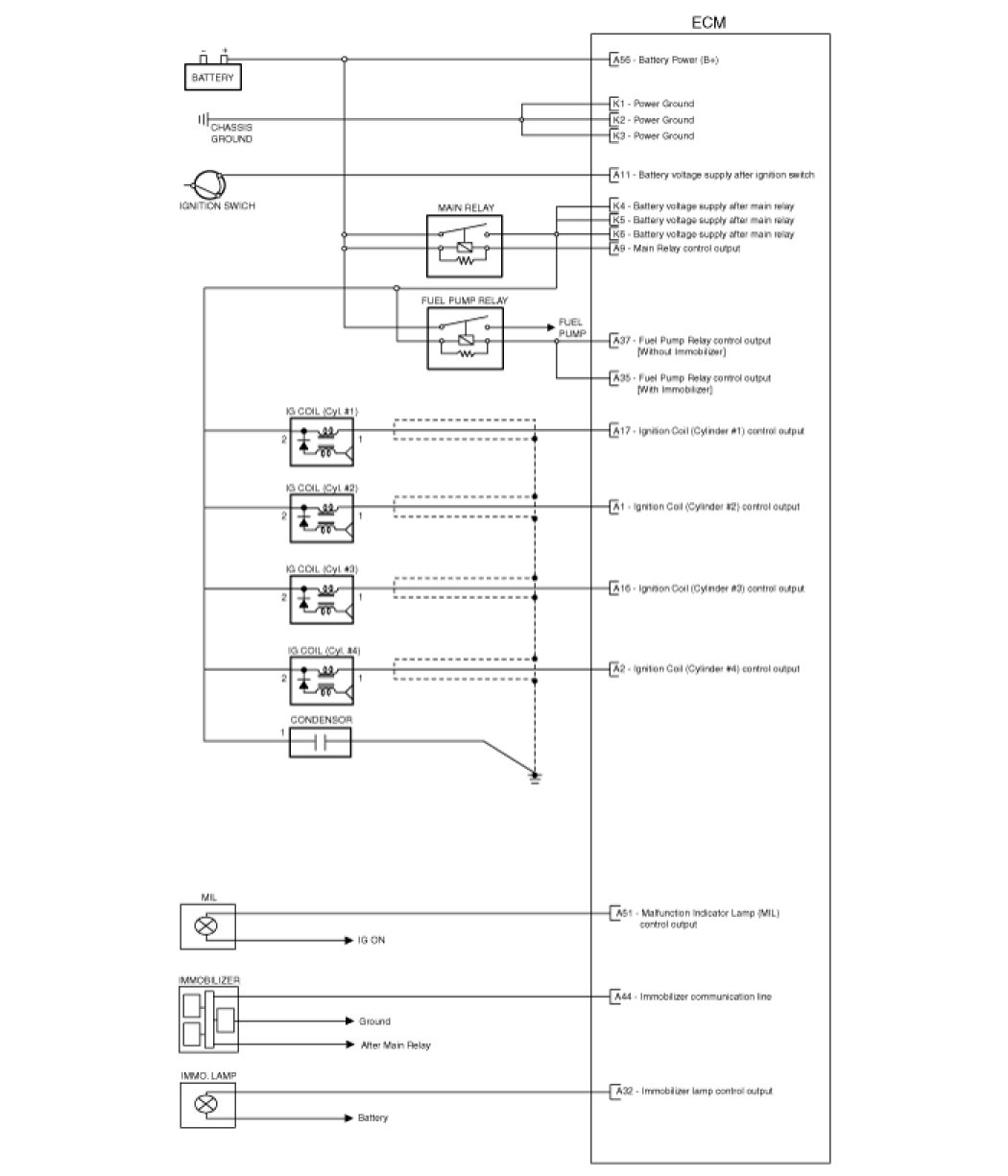
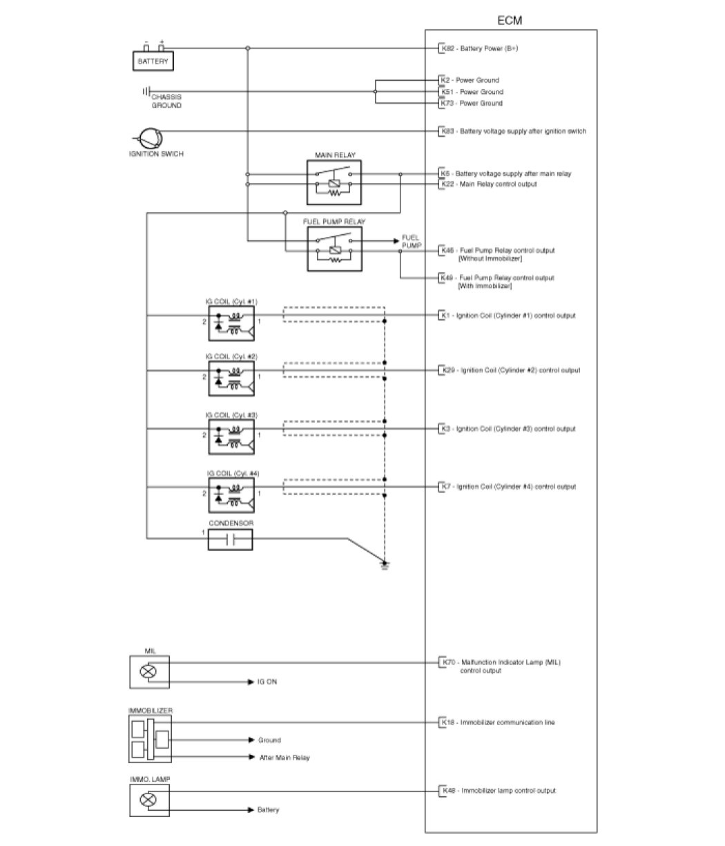
Circuit Diagram

[A/T]

















[M/T]