lemon-mirror:
Home >> Kia >> 2011 >> Sorento 2WD L4-2.4L >> Repair and Diagnosis >> Powertrain Management >> Computers and Control Systems >> Fuel Level Sensor >> Locations >> Components Location

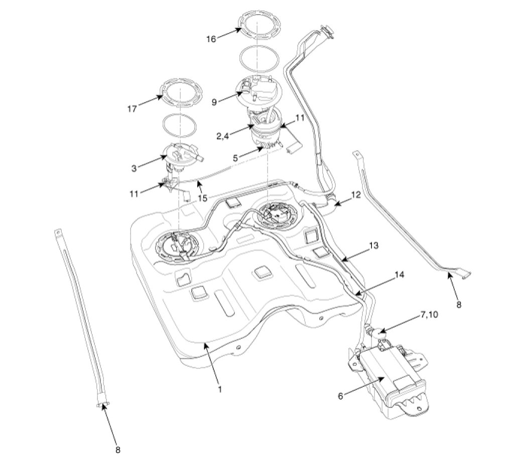
Components Location





Components Location