lemon-mirror:
Home >> Kia >> 2011 >> Sorento 2WD L4-2.4L >> Repair and Diagnosis >> Diagrams >> Electrical Diagrams >> Starting System >> Keyless Starting System >> Keyless Start Control Module >> Button Engine Start System

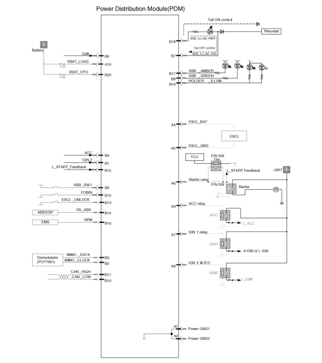
Button Engine Start System





System circuit diagram