lemon-mirror:
Home >> Kia >> 2011 >> Rondo (CANADA) V6-2.7L >> Repair and Diagnosis >> Diagrams >> Exploded Views >> Alternator

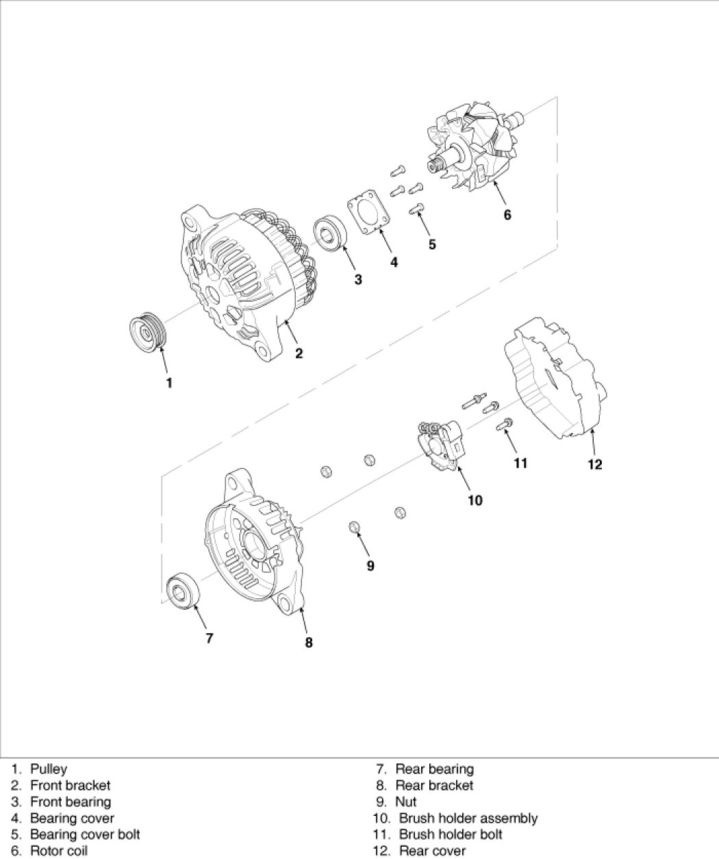
Alternator





COMPONENTS