lemon-mirror:
Home >> Kia >> 2011 >> Rondo (CANADA) L4-2.4L >> Repair and Diagnosis >> Powertrain Management >> Computers and Control Systems >> Body Control Module >> Description and Operation

Body Control Module: Description and Operation





DESCRIPTION





OPERATION

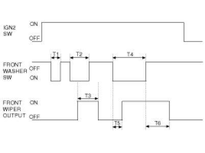
1. FRONT WASHER INTERLOCKING WIPER CONTROL
(1) In state of IGN2 SWITCH ON, when FRONT WASHER SWITCH is ON for more than T4 s(0.6s), then after T5 s (0.3s), WIPER output is ON, and after WASHER SWITCH is OFF and WIPER output is ON for T6 (3 s, the time for operating WIPER 2 - 3 times), and then WIPER output is OFF.
(2) In state of IGN2 SWITCH ON, when FRONT WASHER SWITCH is ON for T2(0.2 - 0.6 s), then after T5 (0.3 s), WIPER output is OFF after WIPER output is ON for T3(0.7 s).
(3) The operation of WASHER INTERLOCKING WIPER shall be prior to the INT WIPER function. (By INT SWITCH, if WASHER SWITCH is ON for more than T4 during WIPER operation, perform (1) term's operation , and if ON for T2, perform (2) term's operation.)
(4) On start(in state of IGN1 SWITCH ON & IGN2 SWITCH OFF), ignore WASHER SWITCH input
(5) Ignore WASHER SWITCH input generated during WASHER WIPER operation, and after operating WASHER WIPER, adopt WASHER SWITCH input first.
(6) The state of WASHER SWITCH is decided by the voltage of BCM input end




T1 : less than 0.2 s, T2 : 0.2 - 0.6s(MIST function),
T3 : 0.7 ± 0.1s, T4 : more than 0.6 s,
T5 : 0.3s± 0.1, T6 : 3.0±0.3s.