lemon-mirror:
Home >> Kia >> 2011 >> Rio L4-1.6L >> Repair and Diagnosis >> Specifications >> Mechanical Specifications >> Engine >> Timing Cover

Timing Cover





Timing Cover

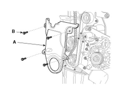
Install the timing belt lower cover(A) with 5bolts(B).

Tightening torque 7.8 - 9.8 N.m (0.8 - 1.0 kgf.m, 5.8 - 7.2 lb-ft)






Install the timing belt upper cover(A) with 4 bolts(B).

Tightening torque 7.8 - 9.8 N.m (0.8 - 1.0 kgf.m, 5.8 - 7.2 lb-ft)