lemon-mirror:
Home >> Kia >> 2011 >> Rio L4-1.6L >> Repair and Diagnosis >> Diagrams >> Electrical Diagrams >> Powertrain Management >> Body Control Module

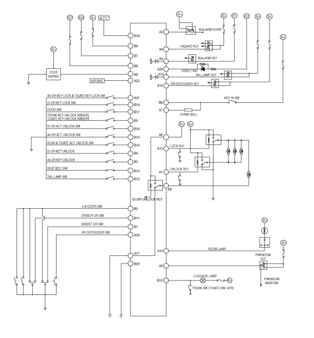
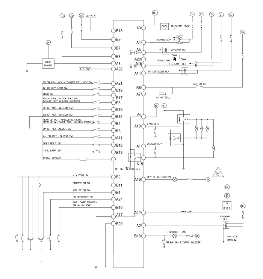
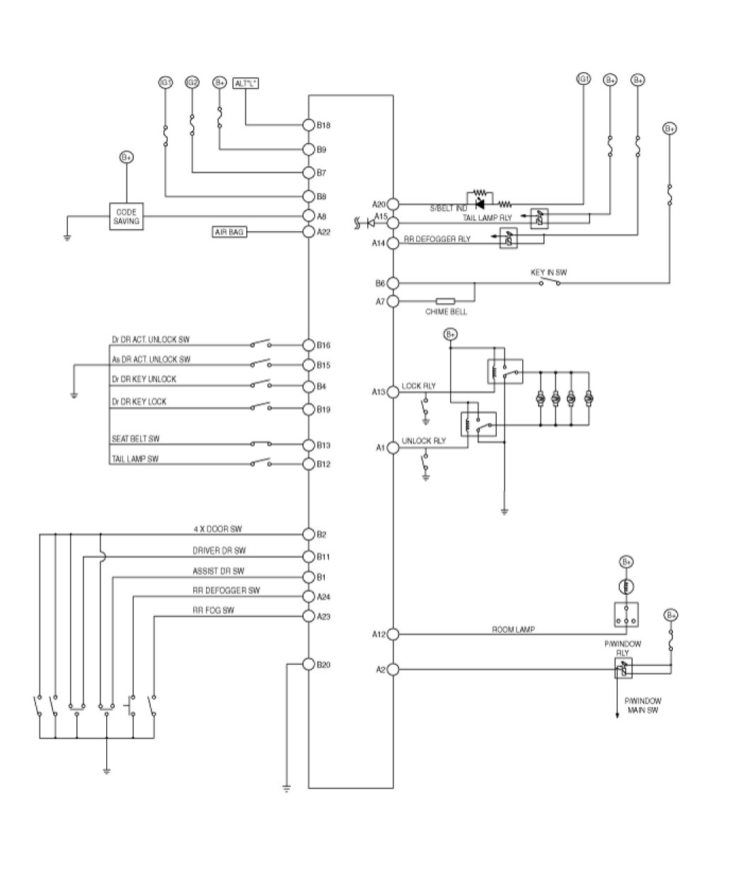
Body Control Module





CIRCUIT DIAGRAM

BCM & RECEIVER




BCM




BCM CONNECTOR TERMINALS










Circuit Diagram




BCM




BCM Connector Terminals