lemon-mirror:
Home >> Kia >> 2011 >> Optima L4-2.4L Hybrid >> Repair and Diagnosis >> Maintenance >> Brake Bleeding >> Service and Repair

Brake Bleeding: Service and Repair





Brake System Bleeding

CAUTION:
- Do not reuse the drained fluid.
- Always use genuine DOT3/DOT4 brake Fluid.
Using a non-genuine DOT3/DOT4 brake fluid can cause corrosion and decrease the life of the system.
- Make sure no dirt or other foreign matter is allowed to contaminate the brake fluid.
- Do not spill brake fluid on the vehicle, it may damage the paint; if brake fluid does contact the paint, wash it off immediately with water.
- The reservoir on the master cylinder must be at the MAX (upper) level mark at the start of bleeding procedure and checked after bleeding each air bleed screw. Add fluid as required.

Air bleeding tool installation procedure

CAUTION:
To prevent the brake fluid reservoir tank from being damaged and ensure the safety of worker, set the pressure of the gauge to the standard value before installing the SST.

1. Before installing the SST on the vehicle, close the air shut-off valve (A) to adjust the pressure gauge to the standard value.





CAUTION:
For safety of worker and correct pressure setting, make sure that the plug (B) is installed correctly.

2. After connecting an air hose and opening the air shut-off valve (A), adjust the pressure gauge (B) to the standard value.

Standard pressure value:0.3 - 0.5 MPa (43.5 - 72.5 psi)




3. After setting the pressure of gauge, close the air shut-off valve (A). Then remove the plug (B) and install the cap (C).





CAUTION:
For safety of worker, close the air shut-off valve (A) first then remove the plug (B).

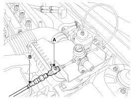
4. Remove the brake reservoir tank cap.
5. Install the cap (A) of SST (09580-3D100) on the reservoir tank.






Air bleeding tool removal procedure

1. To remove the SST (09580-3D100) from the vehicle, close the air shut-off valve (A) first.




2. After disconnecting the air hose (B), bleed air in the reservoir tank by open the air shut-off valve (A) slowly.





CAUTION:
To prevent backflow of brake fluid, be sure to open the air shut-off valve slowly then bleed air in the reservoir tank.

3. Remove the cap of SST (09580-3D100) on the reservoir tank.




4. Install the brake reservoir tank cap.

Bleeding procedure

1. Make sure the brake fluid in the reservoir is at the MAX(upper) level line.
2. Use the air bleeding tool (SST: 09580-3D100) and feed oil pressure (0.3 - 0.5 MPa (43.5 - 72.5 psi)) into the reservoir.
3. Loosen the bleed screw (A) on the wheel and initiate air bleeding on all the wheels.
[Front]




[Rear]




4. Repeat the procedure for wheel in the sequence shown below until air bubbles no longer appear in the fluid.




5. Tighten the bleeder screw.

Tightening torque:
6.9 - 12.7 N.m (0.7 - 1.3 kgf.m, 5.1 - 9.4 lb-ft)

6. Refill the master cylinder reservoir to MAX(upper) level line.