lemon-mirror:
Home >> Kia >> 2011 >> Optima L4-2.4L Hybrid >> Repair and Diagnosis >> Diagrams >> Electrical Diagrams >> Starting System >> Keyless Starting System >> Keyless Start Control Module

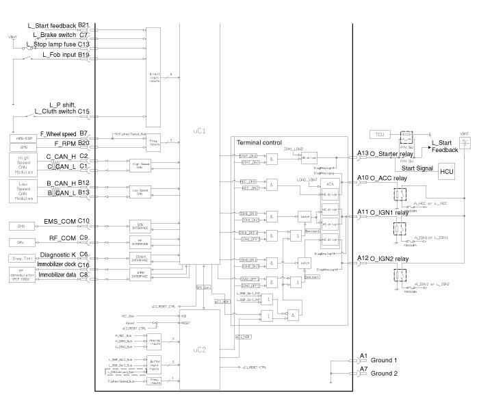
Keyless Start Control Module





Circuit Diagram