lemon-mirror:
Home >> Kia >> 2011 >> Optima L4-2.0L Turbo >> Repair and Diagnosis >> Powertrain Management >> Computers and Control Systems >> Body Control Module >> Description and Operation >> 1 of Part 2

1 of Part 2





Description




Body control module receives various input switch signals controlling time and alarm functions for the intermittent wiper timer, washer timer, rear defogger timer, seat belts warning, central door lock, ignition key reminder, power window, door warning, tail lamp, crash door unlock, ignition key hole illumination, rear fog lamp control and keyless entry & burglar alarm.
BCM, SJB(Smart Junction Box) and CLU(Instrument Cluster) are connected by CAN line.
The nearest module with input switch or actuator receives the input data to reduce the wiring and then send input data to the others which need them via CAN lines.
In case of sending output, it is used to CAN communication, not wiring.
SJB can also control relays and IPS.
So Each module allots the current data and actuation data.






Function

Wiper Control
Washer Control Coupled With Wiper




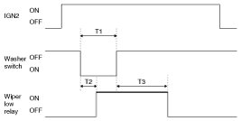
1. Under IGN2 = ON, wiper LOW relay is turned ON after T2 from Washer switch ON if washer switch is ON for T1 and wiper LOW relay is turned OFF after T3.




T1: 0.06s~0.2s, T2: 0.3s ±0.1s, T3: 0.7s ±0.1s
2. Under IGN2 switch ON, wiper LOW relay is turned ON after T2 from Washer switch ON if washer switch is ON for at least T1, and wiper LOW relay is turned OFF after T3 from the moment that Washer switch is turned OFF.




T1: 0.2s(MIN), T2: 0.3s ±0.1s
T3: 2.5s~3.8s(2 - 3 Turn)
3. Operation in Item (2) is performed if Washer switch is ON for at least T1 during WIPER operation with Wiper int switch. Operation in Item (1) is performed if Washer switch is ON for T6.




T1: 0.2s(MIN) , T2: 0.3s ±0.1s
T3: 2.5s~3.8s(2 - 3 Turn), T4: T5 - 0.7s
T5: INT TIME, T6: 0.06s ~0.2s, T7: 0.7s ±0.1s
4. Operation is cancelled in case of IGN OFF during T3.
5. Give priority to WASHER interlocking WIPER than Speed sensing INT WIPER function.
6. Washer switch signal input shall be ignored at start-up (IGN1 ON & IGN2 OFF states).
7. Switch ON time includes chattering time

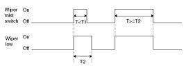
Front Wiper Mist Function Wiper




1. Function Description
In case of IGN2 On (IGN2 ON), if turning on the Wiper Mist switch(Wiper Mist switch On), then Wiper is controlled, by switch on time. Mist operation does not work at Wiper Washer.









T1 : One Wiping, T2 : Mist One Time
2. Under IGN2 switch ON, Wiper LOW relay is turned ON immediately from Mist switch ON if Mist switch ON for more than T1, Wiper LOW relay is turned OFF after T2 from Mist switch OFF.




T1 : 0.7s(Min), T2 : 0.7s±0.1s

Variable Int Wiper




1. Under IGN2 switch ON & Wiper Int switch ON states, and wiper int volume value are acquired and intermittent time is calculated. then, wiper intermittent time is automatically converted.




T1 : 0.7 ± 0.1s, T2 : INT Time( 2.2 ± 0.2s ~ 10 ± 1s)
*1 ON : IGN2 = ON OFF: IGN2 = OFF
2. Wiper Control Precaution
(1) Variable int wiper
A. Wiper low relay time is 0.7s ±0.1s.
B. Intermittent time is from output ON to the next output ON.
C. Wiper low relay output is continued for remaining ON time if INT switch is turned OFF during output.
D. Intermittent time is restarted when IGN2 switch is ON and wiper Int switch is changed from OFF to ON.
E. Intermittent time is restarted when wiper int switch is ON and IGN2 switch is changed from OFF to ON
F. 2.5V is used when volume value is 2.5V or more.






Buzzer Control
Data Flow





Buzzer Sound
1. Buzzer sound spec









2. Buzzer output
Buzzer output to estimate BCM int buzzer in cluster, and data transmission.
** Internal buzzer is used for rear parking assist system.

Seat belt reminder (Driver seat)




1. From IGN1 switch ON, Warning lamp for 1sec(DUTY 50%) and Chime buzzer for 6 time every 1sec. (in case of S/BELT unfastened state) But, within 6sec in the S/BELT fastened, the Chime buzzer output is stop, and Warning lamp is the remaining time.
2. Lamp and Chime buzzer become output stop when IGN1 is turned OFF within 6sec-output.
3. If vehicle speed over 10Km/h, Warning lamp and Chime buzzer are work for 1time when Seat belt unfastened after IGN ON.
4. If vehicle speed below 5Km/h or IGN OFF or seat belt fastened, pattern is stop when pattern is running.
5. Seat belt fastened->unfastened when IGN1=ON state : if vehicle speed over 10Km/h,1time output. And if vehicle speed 5 - 10Km/h, Warning lamp for 1s(DUTY 50%) and Chime buzzer for 6 every 1s. If vehicle speed less than 5Km/h, Warning lamp for 6 every 1s(DUTY 50%)

Seat belt reminder (Assist seat)




1. Warning lamp lights continuously every 1sec(DUTY 50%) for 6sec when IGN is turned ON under unfastened seat belt.
2. Warning lamp is turned OFF when IGN is turned OFF within in time.
3. When IGN is ON under unfastened seat belt, the warning lamp lights. The lamp continues to light for remaining time of 6sec when seat belt is fastened within 6sec. The lamp is OFF if seat belt is fastened after 6sec.
4. When IGN is ON and vehicle speed becomes 10Km or more and unfastened seat belt, warning lights ON continuously.
5. Under the (4)state, warning lamp is stopped when seat belt is unfastened or vehicle speed becomes under 5Km/h or IGN is turned OFF.

Key Operated Warning




1. Int buzzer on every 1sec when driver door switch is on and key ign on.
2. Output is off if key ign is in off and driver door switch closed are met during Int buzzer output.
3. At IGN1 on, output is off.




T1 : 1 ± 0.1sec
KEY IN ON : Key in switch ON or ACC ON or fob in ON
KEY IN OFF : Key in switch OFF and ACC OFF and fob in OFF

ID Out Warning (SMK)




WARNING BUZZER outputs for the time of reception about ID OUT Warning(CAN) ON.
WARNING BUZZER OUTPUT STOPS when receiving OFF




T1 : 1 ± 0.1sec

SSB Switch Warning (SMK)




WARNING BUZZER outputs for the time of reception about SSB Warning(CAN) ON.
WARNING BUZZER OUTPUT STOPs when receiving OFF.




T1 : 0.6 ± 0.1sec

Vehicle Not P Warning (SMK)




While attempting to put a alarm into effect, it'll be canceled immediately due to not receiving P Warning (CAN) ON signal.




T1 : 0.6 ± 0.1sec

IGN Key Hole Illumination
Data Flow





Function Description
1. Key hole illumination is turned ON at IGN1 OFF and driver door switch(or assist door switch) OPEN.
2. The output of key hole illumination is turned ON for 30s after the OFF state is delayed at (1) state and driver door switch(or assist door switch ) CLOSE.
3. Key hole illumination is immediately turned OFF at IGN switch ON during output.
4. If ATWS state is ARMWAIT mode, key hole illumination is immediately turned OFF.
ATWS ON: ARMWAIT mode




T1 : 30 ± 1sec

Defogger & Deicer Timer Control
Data Flow





Defogger & Front Deicer Timer
1. Defogger relay & Front deicer relay is turned ON for 20min if defogger switch ON after Alt L ON & IGN1 ON.
2. Defogger relay & Front deicer relay is turned OFF if again defogger switch ON during defogger relay ON.
3. Defogger relay & Front deicer relay is turned OFF if AltL OFF or IGN1 OFF during defogger relay ON.
4. Defogger relay & Front deicer relay and OFF of the output will remain at Defogger switch ON & Alt LON.




T1 : 20 ± 1min

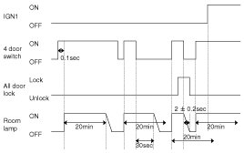
Decayed Room Lamp & Keyless Unlock Timer
Delay Out Interior Lamp
- IGN1 off the door (Trunk excluded) will be lit to open the room lamp.
- Room lamp 4 Door closes, a 30-second delay will be lights out.
- 4 Door in closed IGN1 off & (Key in -> Key out): 30-second delay will be lights out.




**TUNLOCK : Include Keyless or SMK by UNLOCK.
**IGN KEY IN->OUT
: IGN KEY OFF -> ON or ACC OFF-> ON or IGN1 OFF-> ON or IGN2 OFF->ON(Keyless)
: FOB IN OFF-> ON or ACC OFF -> ON or IGN1 OFF-> ON or IGN2 OFF-> ON(SMK)

Description Of State
1. Room Lamp off









2. Room Lamp on



















3. Room Lamp on for 30s















NOTE:
- The flickering of lamp is not allowed even though IGN1 ON
- The resolution of Decayed Room Lamp must be more than 32 step.













4. Room Lamp Decaying























5. Room Lamp on for 20min





















Glove Box Lamp Control




1. If GLOVE BOX is OPEN, LAMP is turned ON for 15min.
2. (1) state behavior by the conditions during the KEY IN OFF->ON to timer Reset does not.

Glove Box Lamp Off State






Glove Box Lamp On For 15Min State






Power Window Timer
Data Flow





Function Description
1. Safety Power window Enable and power window main output is turned ON at IGN1 ON.
2. Maintaining output at IGN1 OFF after 30 seconds Safety Power window Enable and power window main, Safety Power window Enable and power window main output is OFF.
3. Above (2) Driver door switch or Assist door switch in protest to the conditions when you OPEN, Safety Power window Enable and power window main output will be OFF immediately.
4. IGN1 OFF when the Safety Power window Enable and power window main output is OFF at driver door switch or Assist door switch OPEN.




T1 : 3 ± 3sec

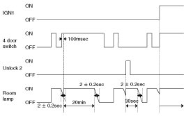
Door Lock/unlock Control
Data Flow





Central Door Lock/unlock
1. ALL DOOR LOCK output is ON during T1(0.5s) if Driver unlock State or Assist Unlock State is LOCK within 3sec after driver Key Lock switch(Assist Key Lock switch ) is turned ON. But, IGN1 ON when output is prohibited.
2. ALL DOOR UNLOCK output is ON during T1(0.5s) if Driver Unlock State or Assist Unlock State is UNLOCK within 3sec after Driver Key Unlock switch(Assist Key Unlock switch ) is turned ON.
3. ALL DOOR LOCK output is ON during T1 at TLock ON or SMK RKE CMD LOCK or Passive Lock ON. But, Passive Lock ON signal and will be ignored at Driver Door SW ON or Assist Door SW ON
4. ALL DOOR UNLOCK output is ON during T1 at TUnlock ON or SMK RKE CMD UNLOCK or Passive Unlock ON.
SMK RKE CMD = LOCK : SMK RKE CMD = Lock & No1 or Lock & No2
5. ALL DOOR LOCK output is ON during T1 at Power window door Lock switch ON.
6. ALL DOOR UNLOCK output is ON during T1 at Power window door Unlock switch ON. But, Power window door Unlock switch ON signal and will be ignored in ARM, ARMWAIT,REARM, ALARM state.
7. LOCK/UNLOCK by Driver door Unlock switch, Assist door Unlock switch operation is not interlocked. (mechanical operation)
8. Shall be no malfunction at Battery connection. (Shall be no malfunction even at Key In switch.
9. When the output of the reverse output requirements and the current output immediately OFF, 100ms delay send output to the reverse. 100ms delay is required during the output when the output needs to eventually send us the output.
10. LOCK output and UNLOCK output conditions at the same time, if the LOCK output is done, and the UNLOCK output is ignored.
11. ALL DOOR LOCK and ALL DOOR LOCK status of the output conditions, the actual output is not, and ALL DOOR UNLOCK and ALL DOOR UNLOCK status of the output conditions, the actual output is not.
12. ALL DOOR LOCK(UNLOCK) switch to LOCK(UNLOCK) to power window door Lock switch(Power window Unlock switch), TLock, TUnlock, SMK RKE CMD LOCK, SMK RKE CMD UNLOCK, Driver door Key Lock switch, Driver door Key Unlock switch, Assist door Key Lock switch, Assist door Key Unlock switch, regardless of the status and needs by the LOCK(UNLOCK) should always output.




SMK RKE CMD = UNLOCK : SMK RKE CMD = UNLOCK & NO1 or UNLOCK & NO2

2-Turn Unlock
1. If Driver Door Key Unlock Switch turns OFF from ON within T1 after Driver Door Key Unlock Switch turns ON from OFF(Driver Door Unlock Switch becomes UNLOCKED mechanically and does not output BCM.), turn Driver Unlock Relay, Unlock Relay(Central Unlock) output ON during T2.
2. If TUNLOCK is received within T1 after Driver Door Key Unlock Switch turns ON from OFF (Driver Door Unlock Switch becomes UNLOCKED mechanically and does not output BCM.), turn Driver Unlock Relay and Unlock Relay(Central Unlock) output ON during T2.
3. Turn Driver Unlock Relay output ON during T2 when receiving TUNLOCK signal. However, turn Driver Unlock Relay, Unlock Relay (Central Unlock) output during T2 if TUNLOCK is received within T1.
4. Also, turn Driver Unlock Relay, Unlock Relay (Central Unlock) ON during T2 in case that Driver Door Key Unlock Switch turns ON from OFF within T1 after receiving TUNLOCK.
5. Regard as the same TX even though different signal which is registered within T1 is received.
6. If turn Lock Relay output ON by TLock or Driver/Assist Key lock Switch, T1 is initialized.
7. Assist Key Unlock Switch turns ON from OFF, turn Driver Unlock Relay and Unlock Relay (Central Unlock) output ON during T2.




T1 : 4 ± 1sec, T2 : 0.5 ± 0.1sec

2-Turn Unlock (SMK)
1. All DOOR UNLOCK output are ON during T2 if Driver door unlock switch is unlock within 3s and Driver door key unlock switch is OFF->ON within T1 after Driver door key unlock switch is OFF->ON (mechanically, Driver door unlock switch is unlocked and BCM signal is not output).
2. All DOOR UNLOCK output are ON during T2 if Driver door unlock switch is UNLOCK within 3s and SMK/RKE command= UNLOCK is received within T1 after Driver door key unlock switch is OFF -> ON (mechanically, Driver door unlock switch is unlocked and BCM signal is not output).
3. DRIVER DOOR UNLOCK signal is output for T2 when SMK/RKE command=UNLOCK signal is received. But, ALL DOOR UNLOCK signals are output for T2 if SMK/RKE command=UNLOCK signal is received within T1.
4. All DOOR UNLOCK output are ON during T2 if Driver door key unlock switch is OFF->ON (mechanically, Driver door unlock switch is unlocked and BCM signal is not output) within T1 and Driver door unlock switch is UNLOCK within 3s after SMK/RKE command = UNLOCK received.
5. DRIVER DOOR UNLOCK output is ON during T2 when Passive unlock ON & P_FL ON is input. But, ALL DOOR UNLOCK output are ON during T2 if Passive unlock ON & P_FL ON is input within T1.
6. DRIVER DOOR UNLOCK output is ON during T2 when Passive unlock ON & P_FL ON is input. But, ALL DOOR UNLOCK output are ON during T2 if Driver door key unlock switch is OFF -> ON within T1.
7. DRIVER DOOR UNLOCK output is ON during T2 when Passive unlock ON & P_FL ON is input. But, ALL DOOR UNLOCK output are ON during T2 if SMK/RKE command = UNLOCK is received within T1.
8. Driver door unlock switch UNLOCK state of the output from the DRIVER DOOR UNLOCK does not require.
9. ALL DOOR UNLOCK output will be according to DRIVER DOOR UNLOCK output when the DRIVER DOOR UNLOCK output of the ALL DOOR UNLOCK output requirements.

IGN Key Reminder
1. This function is not performed when vehicle speed is 3km/h or more.
2. ALL DOOR UNLOCK signals are output for 1s after 0.5s from when the state becomes IGN KEY ON & Driver door SW OPEN & Driver Unlock State LOCK.
3. ALL DOOR UNLOCK signals are output for 1s after 0.5s from when the state becomes IGN KEY ON & Assist door switch OPEN & Assist Unlock State LOCK.
4. ALL DOOR UNLOCK signals are output for 1s after 0.5 form (1),(2) and anti-concurrent satisfaction, (3) paragraph pursuant
5. UNLOCK signal is output 3 times as Max (1s-output is excluded) in case LOCK state is held even when UNLOCK signal is output for 1s in (2),(3). (1s cycle: 0.5s ON/OFF)
6. (5) of Section Driver door switch is CLOSE CENTRAL UNLOCK in the LOCK state, while the one-time attempt.
7. ALL DOOR UNLOCK signal is output (only once) during 1s if Driver door switch is CLOSE within 0.5s from Driver Unlock State UNLOCK -> LOCK under IGN KEY ON.
8. ALL DOOR UNLOCK signal is output (only once) during 1s if Assist door switch is CLOSE within 0.5s from Driver Unlock State UNLOCK -> LOCK under IGN KEY ON.
9. ALL DOOR UNLOCK signal is output (only once) during 1s if Driver Unlock State is UNLOCK->LOCK within 0.5s from Driver door switch OPEN -> CLOSE under IGN KEY ON.
10. ALL DOOR UNLOCK signal is output(only once) during 1s if Assist Unlock State is UNLOCK->LOCK within 0.5s from Assist Door switch OPEN -> CLOSE under IGN KEY ON.
11. IGN KEY ON in Driver door switch or Assist Door switch is OPEN if the Power window door lock switch ON, KEY REMINDER functions to perform.
12. Judgment of the possibility of RETRY signal output is performed at RETRY signal output start. (after 1.5s from the first UNLOCK signal output)
13. After the condition if UNLOCK is met, UNLOCK signal is output if the condition is not held for 0.5s. But, UNLOCK signal is not output if KEY IN is OFF at the moment that 0.5s passes after the condition is met by Driver Unlock State or Assist Unlock State change from UNLOCK to LOCK.




T1,T3 : 0.5 ± 0.1sec, T2 : 1 ± 0.1sec, T4 : 0.5sec Max
KEY IN ON : Key in ON or ACC = 1 or IGN1 ON or IGN2 ON
KEY IN OFF : Key in OFF and ACC =0 and IGN1 OFF and IGN2 OFF
IGN KEY ON : Key in switch(Fob in) ON or ACC ON or IGN1 ON or IGN2 ON
IGN KEY OFF : Key in switch(Fob in) OFF and ACC OFF and IGN1 OFF and IGN2 OFF

Passive Key Reminder Unlock (SMK)
1. This function is not performed when vehicle speed is 3km/h or more.
2. When the driver door switch (Assist door switch) = OPEN and driver unlock state (Assist unlock state) are lock state, passive KEY REMINDER signal received at the output ALL DOOR UNLOCK is for 1s.
3. UNLOCK signal is output 3 times as Max (1s-output is excluded) in case LOCK state is held even when UNLOCK signal is output for 1s in (2). (1s cycle: 0.5s ON/OFF)




T1 : 1 ± 0.1sec, T2 : 0.5 ± 1sec