lemon-mirror:
Home >> Kia >> 2010 >> Sedona V6-3.8L >> Repair and Diagnosis >> Diagrams >> Exploded Views >> Alternator

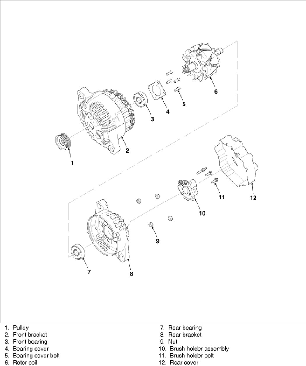
Alternator





COMPONENT