lemon-mirror:
Home >> Kia >> 2010 >> Rondo L4-2.4L >> Repair and Diagnosis >> Powertrain Management >> Computers and Control Systems >> Body Control Module >> Testing and Inspection >> 1 of 3

1 of 3





INSPECTION

1. FRONT WASHER INTERLOCKING WIPER CONTROL
(1) In state of IGN2 SWITCH ON, when FRONT WASHER SWITCH is ON for more than T4 s(0.6s), then after T5 s (0.3s), WIPER output is ON, and after WASHER SWITCH is OFF and WIPER output is ON for T6 (3 s, the time for operating WIPER 2 - 3 times), and then WIPER output is OFF.
(2) In state of IGN2 SWITCH ON, when FRONT WASHER SWITCH is ON for T2(0.2 - 0.6 s), then after T5 (0.3 s), WIPER output is OFF after WIPER output is ON for T3(0.7 s).
(3) The operation of WASHER INTERLOCKING WIPER shall be prior to the INT WIPER function. (By INT SWITCH, if WASHER SWITCH is ON for more than T4 during WIPER operation, perform (1) term's operation , and if ON for T2, perform (2) term's operation.)
(4) On start(in state of IGN1 SWITCH ON & IGN2 SWITCH OFF), ignore WASHER SWITCH input
(5) Ignore WASHER SWITCH input generated during WASHER WIPER operation, and after operating WASHER WIPER, adopt WASHER SWITCH input first.
(6) The state of WASHER SWITCH is decided by the voltage of BCM input end




T1 : less than 0.2 s,
T2 : 0.2 - 0.6s(MIST function),
T3 : 0.7 ± 0.1s, T4 : more than 0.6 s,
T5 : 0.3s± 0.1, T6 : 3.0±0.3s.
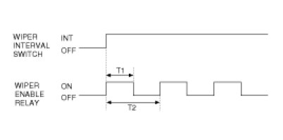
2. VEHICLE SPEED SENSITIVE TYPE INTERVAL WIPER
In IGN2 ON State, if Wiper INTERVAL SWITCH input is on, then T1 and T2 of Wiper Enable Relay is generated by INTERVAL VOLUME




T1 : 0.7 ± 0.1 sec, T2 : Interval Time
A. If the variance of basic interval time is less then 0.3sec, the interval time is not changed
B. Calculate the interval time that coused by vehicle speed, by INTERVAL VOLUME of "0km/h" regardless of input speed Interval time is in linear proportion to INTERVAL VOLUME.
INTERVAL TIME : MIN 2.2 ± 0.2s (INTERVAL resister : 0KOhms)
MAX 10 ± 1s (INT resister : 50KOhms)
3. MIST INTERLOCKING WIPER
(1) In IGN2 SW ON, if the MIST SW is ON for 60ms or more, within 100ms, and then, wiper output shall be ON for 700ms within 100ms.




T1 : Min 60ms, T2 : Max 100ms,
T3 : 700 ± 100ms.
(2) If MIST SW input is continued, WIPER output shall be maintain the ON state, and then if MIST SW is OFF, the Wiper output shall be ON for 700ms from OFF time.




T1 : Min 60ms, T2 : Max 100ms,
T3 : 700 ± 100ms, T4 : 700ms.
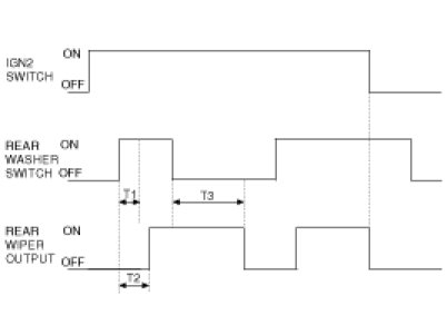
4. REAR WASHER INTERLOCKING WIPER CONTROL
(1) In state of IGN2 SWITCH ON, when REAR WASHER SWITCH is ON for more than T1 s(0.2s), then after T2 s (0.3s), WIPER output is ON, and after WASHER SWITCH is OFF and WIPER output is ON for T3 (3 s, the time for operating WIPER 2 - 3 times), and then WIPER output is OFF.
(2) The operation of WASHER INTERLOCKING WIPER shall be prior to the INTERVAL WIPER function.
(3) On start(in state of IGN1 SWITCH ON & IGN2 SWITCH OFF), ignore WASHER SWITCH input.
(4) Ignore WASHER SWITCH input generated during WASHER WIPER operation, and after operating WASHER WIPER, adopt WASHER SW input first.
(5) The state of WASHER SW is decided by the voltage of BCM input end.




T1 : 0.2 ± 0.1sec, T2 : 0.3 ± 0.1sec,
T3 : 3.0 ± 0.3sec.
5. BUZZER SOUND
(1) BUZZER sound SPEC









(2) Priority order : SEAT BELT WARNING(SBR) > OVER SPEED WARNING > PARKING START WARNING > DOOR AJAR driving alarm (KEY OPERATED WARNING is engaged when IGN1 SW is OFF)
(3) When the output is OFF, keep the output to OFF cycle
(4) The distance for measuring the sound pressure : 1.0 m
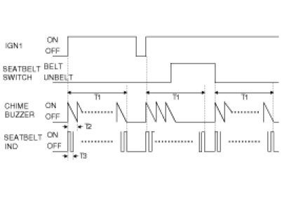
6. SEAT BELT WARNING TIMER
(1) When IGN1 ON & S/BELT is not wearing, WARNING INDICATOR is blinking as cycle of 0.6s and BUZZER is outputting as cycle of 1s for 6s.
(2) When IGN1 SWITCH is OFF during OUTPUT, SEAT BELT WARNING INDICATOR and BUZZER shall stop the output immediately.
(3) When SEAT BELT is wearing during the warning light or alarm output, STOP the output of BUZZER except INDICATOR.
(4) When IGN ON during wearing S/BELT, don't output BUZZER and WARNING IND is blinking as cycle of 0.6s for 6s.
(5) In sate of IGN1 SWITCH ON, after wearing SEAT BELT and then removing, WARNING INDICATOR is blinking as cycle of 0.6s and BUZZER is outputting according to (1), (2), (3).




T1 : 6 ± 1 sec, T2 : 1 ± 0.1 sec,
T3 : 0.6 ± 0.1 sec.
7. SEAT BELT REMINDER
- DRIVER SIDE
1. From State Ign1 Off (Default State)










2. From State Ign1 On Driver Belted















3. FROM STATE IGN1 ON DRIVER UNBELTED




















4. FROM STATE PATTERN















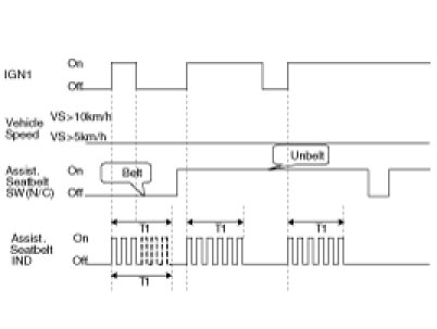
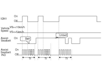
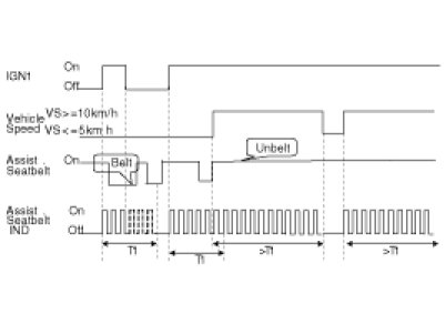
- ASSISTANT SIDE
1. FROM STATE IGN1 OFF (DEFAULT STATE)














T1 : 6 ± 1 sec, T2 : 0.3 ± 0.1sec.
2. FROM STATE IGN1 ON ASSIST BELTED














T1 : 6 ± 1 sec, T2 : 0.3 ± 0.1sec.
3. FROM STATE IGN1 ON ASSIST UNBELTED
























T1 : 6 ± 1 sec, T2 : 0.3 ± 0.1sec.
8. KEY OPERATED WARNING
(1) In state of KEY IN SW ON or ACC SW ON, when opening DRIVER DOOR, output CHIME BUZZER continuously as 0.6s cycles.
(2) During CHIME BUZZER output, in case of IGN1 SW ON or DOOR CLOSE or (KEY IN SW OFF & ACC SW OFF) state, OFF the output.




T1 : 0.6 ± 0.1 sec.
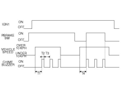
9. PARKING START WARNING
(1) In state of IGN1 SW ON or PARKING BRAKE engaged, when the vehicle speed is keeping more than 10 Km/h, output the CHIME BUZZER continuously as 1s cycle of 0.3s(ON) and 0.7s(OFF).
(2) After the vehicle speed is keeping more than 10 Km/h, when engaging PARKING BRAKE , output CHIME BUZZER immediately.




T1 : 1 ± 0.1 sec MIN, T2 : 0.3 ± 0.1 sec,
T3 : 0.7 ± 0.1 sec, T4 : 1.0 ± 0.1 sec (MIN)
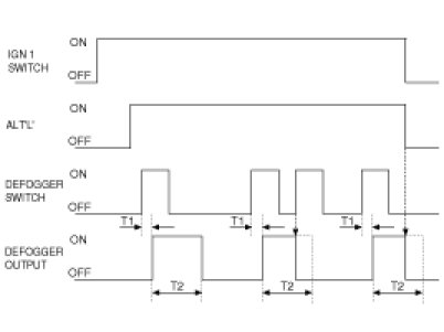
10. REAR DEFOGGER TIMER
(1) In state of IGN1 SWITCH ON, after ALT "L" is ON and then DEFOGGER SWITCH is ON, ON the output of DEFOGGER for 20 min. (operate in state of ENGINE RUNNING)
(2) During DEFOGGER output ON, when DEFOGGER SWITCH is ON, OFF the output of DEFOGGER.
(3) During DEFOGGER output ON, when ALT "L" is OFF or IGN1 SWITCH is OFF, OFF the output of DEFOGGER.
(4) The decision of inputting ALT 'L' shall be complied with the table below.





(5) In state of DEFOGGER SWITCH ON, When ALT"L" is ON Then DEFOGGER RELAY don't output.




T1 : 60 ± 20msec, T2 : 20 ± 2min