lemon-mirror:
Home >> Kia >> 2010 >> Rondo L4-2.4L >> Repair and Diagnosis >> Diagrams >> Exploded Views >> Housing Assembly HVAC

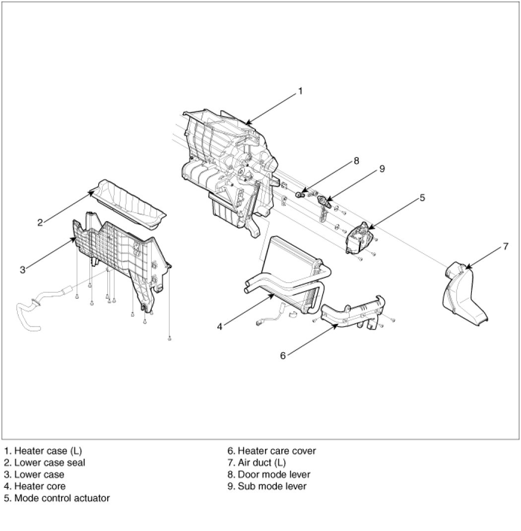
Housing Assembly HVAC





COMPONENTS