lemon-mirror:
Home >> Kia >> 2010 >> Rio L4-1.6L >> Repair and Diagnosis >> Powertrain Management >> Computers and Control Systems >> Vehicle Speed Sensor >> Testing and Inspection

Vehicle Speed Sensor: Testing and Inspection





Inspection

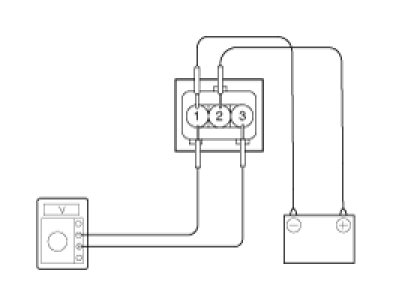
Vehicle Speed Sensor
1. Connect the positive (+) lead from battery to terminal 2 and negative (-) lead to terminal 1.
2. Connect the positive (+) lead from tester to terminal 3 and the negative (-) lead to terminal 1.
3. Rotate the shaft.
4. Check that there is voltage change from approx. 0V to 11V or more between terminals 3 and 1.
5. The voltage change should be 4 times for every revolution of the speed sensor shaft.
If operation is not as specified, replace the sensor.