lemon-mirror:
Home >> Kia >> 2010 >> Rio L4-1.6L >> Repair and Diagnosis >> Powertrain Management >> Computers and Control Systems >> Relays and Modules - Computers and Control Systems >> Body Control Module >> Testing and Inspection

Body Control Module: Testing and Inspection





INSPECTION

Verify each components operation using related timing charts.
1. TAIL LAMP AUTO CUT
(1) With the tail lamp switched ON, if the ignition
Is switched OFF and the Driver door opened, the tail lamp should be automatically turned OFF.
(2) With the ignition switch ON, if the Driver door is opened and the ignition is switched to OFF, the tail lamp should be automatically turned OFF.
(3) When the tail lamp is cut automatically and the tail lamp switch is turned OFF and ON, the tail lamp illuminates and auto cut function is cancelled.
(4) When the tail lamp is cut automatically and the ignition key is inserted, the tail lamp illuminates and auto cut function is canceled.




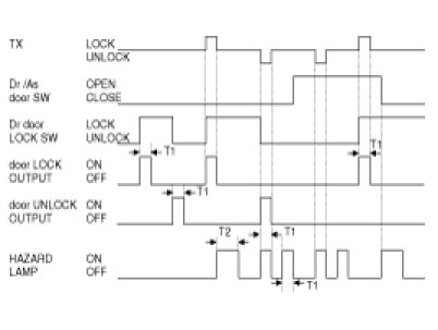
2. CENTRAL DOOR LOCK/UNLOCK (Included 2-Turn unlock)
(1) If assist door unlock knob (below unlock knob) is turn to Unlock from Lock, then the Unlock output shall be ON to all doors for T1.
(2) If assist door unlock knob is turn to Lock from Unlock, then the Lock output shall be ON to all doors for T1.
(3) If driver/assist door KEY LOCK switch is turn to ON from OFF, then the Lock output shall be ON to all doors for T1.
(4) When the TLock signal is received, the door Lock output shall be ON for T1.
(5) If the driver door Key Unlock switch is turn to ON from OFF, then the driver door Lock switch shall be unlocked mechanically. (The BCM & RECEIVER shall not be output.)
(After being unlocked mechanically, if the same condition is satisfied within T2, then the Unlock output shall be ON for T1 to all doors.)
(After the TUnlock signal is received, if the same condition is satisfied within T2, then the Unlock output shall be ON for T1 to all doors.)
(6) When the TUnlock signal is received, the driver door Unlock output shall be ON for T1.
If the TUnlock signal is received within T2, the Unlock output shall be ON to all doors for T1. (After the driver door Key Unlock switch is turn to ON from OFF, if the same condition is satisfied within T2, then the Unlock output shall be ON to all doors.)
A. If, within T2, other registered TX signals are received, they shall be treated as the same TX signal.
B. The Lock (Unlock) output by the changing of the driver door unlock knob shall not be performed.
C. In the state of being all unlock knob in Lock position, if Lock signals of Tx, driver, assist(Tail Gate) door Key switch are input, the second Lock output shall not be performed.
D. In the state of being all unlock knob in UnLock position, if UnLock signals of Tx, driver, assist(Tail Gate) door Key switch are input, the second UnLock output shall not be performed.




T1 : 0.5 ± 0.1sec,
T2 : within 4 ± 1sec,
T3 : over 4 ± 1sec.
3. KEYLESS ENTRY & CENTRAL DOOR LOCK/UNLOCK(BCM & RECEIVER ONLY)
(1) When the TLock is ON, the Hazard Lamp shall be output at one time for T2 after Lock Relay is output for T1.
A. However, after the TX lock is ON, during waiting for the Hazard output, if the Key is inserted(KEY IN SW=ON), then the Hazard Lamp output shall not be performed.
B. After the TX lock is On, if Key is inserted within 0.5 sec(KEY IN SW=ON), keep the prior state without alarm being entered.
(2) When TUnlock is ON, the Unlock Relay for T1, and the Hazard Lamp for T1 outputs are performed at two times.
(3) In the state that the Key is OUT(KEY IN SW=OFF), the Dr/As/RR door switch are close, if there is no change during 30 seconds after the TUnlock is output, then the Hazard lamp output shall be ON for T2 at one time after the Lock is output for T1.
(4) When the battery is connected, there shall not be sign of any malfunction.
(Even if the Battery is connected when S/Knob is in Lock or Unlock position, the Lock signal shall not be output.)




T1 : 0.5 ± 0.1sec
T2 : 1 ± 0.2sec.
4. HORN ANSWER BACK
(1) In the state that the door is Locked by TX(ARM state), if Tx Lock signal is received again within 4sec after the last Tx Lock signal is received, Horn shall be output at one time (T3)




T1 : 0.5 ± 0.1 sec
T2 : 1 ± 0.2 sec
T3 : 0.05±0.01sec
T4 : within 4 ± 1sec
T5 : over 4 ± 1sec
5. CRASH DOOR UNLOCK
(1) Whenever the air bag (below A/BAG) signal is inputted in the IG SW ON state, the unlock output shall be ON for T3.
(2) During unlock output, although IG SW is turned to OFF from ON, the unlock output shall maintain for the remained time period.
(3) If IG SW is turned to ON from OFF after A/BAG signal first is inputted, the Unlock output shall not be performed.
(4) If drive or assist door lock switch is turned to lock from unlock after unlock output, the unlock output shall be On for T3.




T1 : 0.2 sec,
T2 : 0.04 sec,
T3 : 5 ± 0.5 sec.
6. IGNITION KEY REMINDER
(1) In the state that the door warning switch is ON, the driver door is opened, and the driver Safety Knob(below unlock knob) is locked, only the driver door (RKE only) or all doors (Non RKE) unlock shall be output within T1 for T2.
** If the door is locked, the unlock shall be output at one time for T2, at three times for T3 only when the switch has not been changed within actuator.
(2) During the 3-time UNLOCK output, if the actuator is unlocked, then the next output shall be stopped.
(3) During the 3-time UNLOCK output, if the door is closed or the key is out from the cylinder, then the next output shall be stopped.
(4) After the 3-time UNLOCK output, if the actuator is locked, then the current state shall be maintained.
(5) If any of the door warning switch, the driver/assist door switch, and the driver/assist door actuator. UNLOCK switch is changed, then the reset operation shall be performed.
(6) If the door is closed within T4 after the actuator is locked, all the door unlock shall be output for T2.
(7) If the lock switch is ON within T4 sec. when the door is turn to the closed state, then all the door unlock signal shall be output for T2.
(8) If door warning switch is Off and IGN switch is On, then the IG key reminder function shall not be operated.




T1 : MAX 0.5 sec,
T2 : 1 ± 0.2sec,
T3 : 0.5 ± 0.1 sec,
T4 : MAX 0.5 sec.
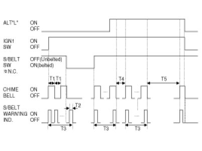
7. SEAT BELT REMINDER FUNCTION
(1) Warning Lamp lights every 0.6sec and Warning Bell sounds every 0.9sec for 6sec when IGN1 switch is ON under unfastened S/Belt.
(Warning lamp continues to light for 6sec if S/Belt is fastened within 6sec)
30sec-TIME COUNT starts at ALT"L" ON under this state.
(30sec-TIME COUNT starts after 6sec. If ALT"L" is ON within initial 6sec)
(2) Warning Bell stops and the Warning Lamp is turned OFF when IGN1 switch is turned OFF within 6sec-output.
(3) Warning Bell stops and the Warning Lamp is turned OFF 30sec-TIME COUNT also stops when S/Belt is fastened after IGN1 switch ON.
(4) If unfastened S/Belt state continues after 60sec-TIME COUNT from ALT"L" ON, the Warning Lamp flashes and Warning Bell sounds 11 times in 30sec-cycle(6sec ON/ 24sec OFF) after 30sec from ALT"L" ON.
(5) Warning Lamp & Warning Bell are turned OFF when IGN1 switch is OFF or S/Belt is fastened during(4).
(6) Operation in (1) is performed when S/Belt is unfastened again under ALT"L" ON and fastened S/Belt.
(7) Operation in (4) is performed when ALT"L" is turned ON again after turning OFF under unfastened S/Belt.




T1 : 0.45 ± 1.0 sec, T2 : 0.3 ± 0.1 sec,
T3 : 6 ± 1.0 sec, T4 : 30 ± 3.0 sec,
T5 : 24 ± 2.0 sec.
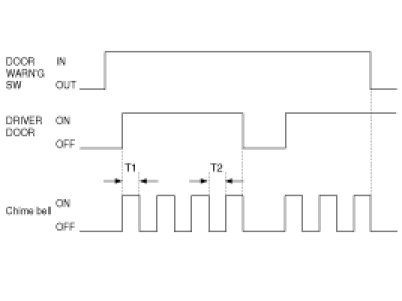
8. KEY OPERATED WARNING
(1) If the key is in the key cylinder and the Driver door is opened, the chime bell is sounded (period: 0.9 sec., duty rate: 50%).
(2) If the ignition key is removed, or the door is closed, the chime bell is switched OFF immediately.




T1, T2 : 0.45 ± 0.1sec.
9. DEFOGGER TIMER (INCLUDING OUTSIDE MIRROR HEATER)
(1) Once ALT "L" is ON, if the defogger is switched ON, the defogger will stay ON for 20 minutes duration.
(2) If defogger switch is pressed again (see Step 1), or if ignition is switched OFF, the defogger will shut OFF.




T1 : 20 ± 1 min.
10. POWER WINDOW TIMER
(1) When the ignition is switched OFF, power window output remains ON for 30 seconds and then turns OFF.
(2) Related to Step 1), if the driver door or assist door is opened, window power output is turned OFF immediately.
(3) When the driver door or assist door is opened, the power window relay output is turned OFF immediately.




T1: 30 ± 3 sec.
11. Tx LOCK TWICE ALARM
(1) In the state that the door is Locked by TX(alarm state), if Tx Lock signal is received again within 4sec after the last Tx Lock signal is received, Horn shall be output at one time (0.05 sec)




T1 : 0.5 ± 0.1sec, T2 : 1 ± 0.2 sec, T3 : 0.05 ± 0.01 sec,
T4 : within 4 ± 1 sec, T5 : over 4 ± 1 sec.
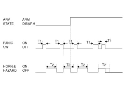
12. PANIC ALARM (ETACS ONLY)
(1) If TPanic signal is received, Panic alarm shall be on for T1 by using horn, hazard.
Panic delay time applied (When Panic switch is on for 0.5sec, Panic alarm should on)
(2) During panic alarm, if (TLOCK/UNLOCK/PANIC,KEY IN,DOOR KEY LOCK,DOOR KEY UNLOCK,T/GATE KEY UNLOCK,TRUNK KEY UNLOCK) signals are received, Panic alarm shall be OFF.
(3) During Panic operating, if the alarm condition is satisfied, Panic alarm shall be OFF.
(4) The related matter to the Anti theft alarm function shall be as follows.
A. During the Anti theft alarm sequence, even if the TPanic signal is received, the Anti theft alarm shall be maintained. (The Panic signal shall be ignored.)
B. If the Anti theft alarm condition is satisfied during the Panic alarm sequence, the Anti theft alarm shall be output. (The Panic output shall be OFF.)
C. If the Panic signal is received in the warning standby/warning/alarm completion/RELOCK standby modes, then the Anti theft function shall be operated and the Panic alarm shall be ON.
(5) During the Panic alarm sequence, although other registered TX signals are received, they shall be treated as the same TX signal.




T1 : 0.5sec,
T2 : 30 ± 3sec(0.9seconds with the cycle of 50% DUTY)