lemon-mirror:
Home >> Kia >> 2010 >> Rio L4-1.6L >> Repair and Diagnosis >> Diagrams >> Exploded Views >> Front Door

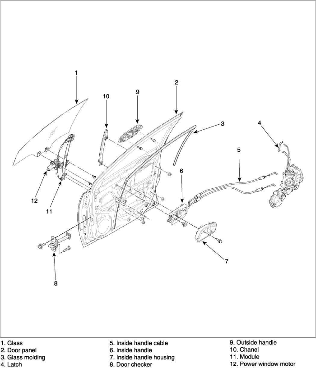
Front Door





COMPONENTS