lemon-mirror:
Home >> Kia >> 2010 >> Rio L4-1.6L >> Repair and Diagnosis >> Diagrams >> Electrical Diagrams >> Powertrain Management >> Engine Control Module

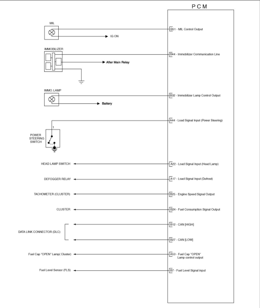
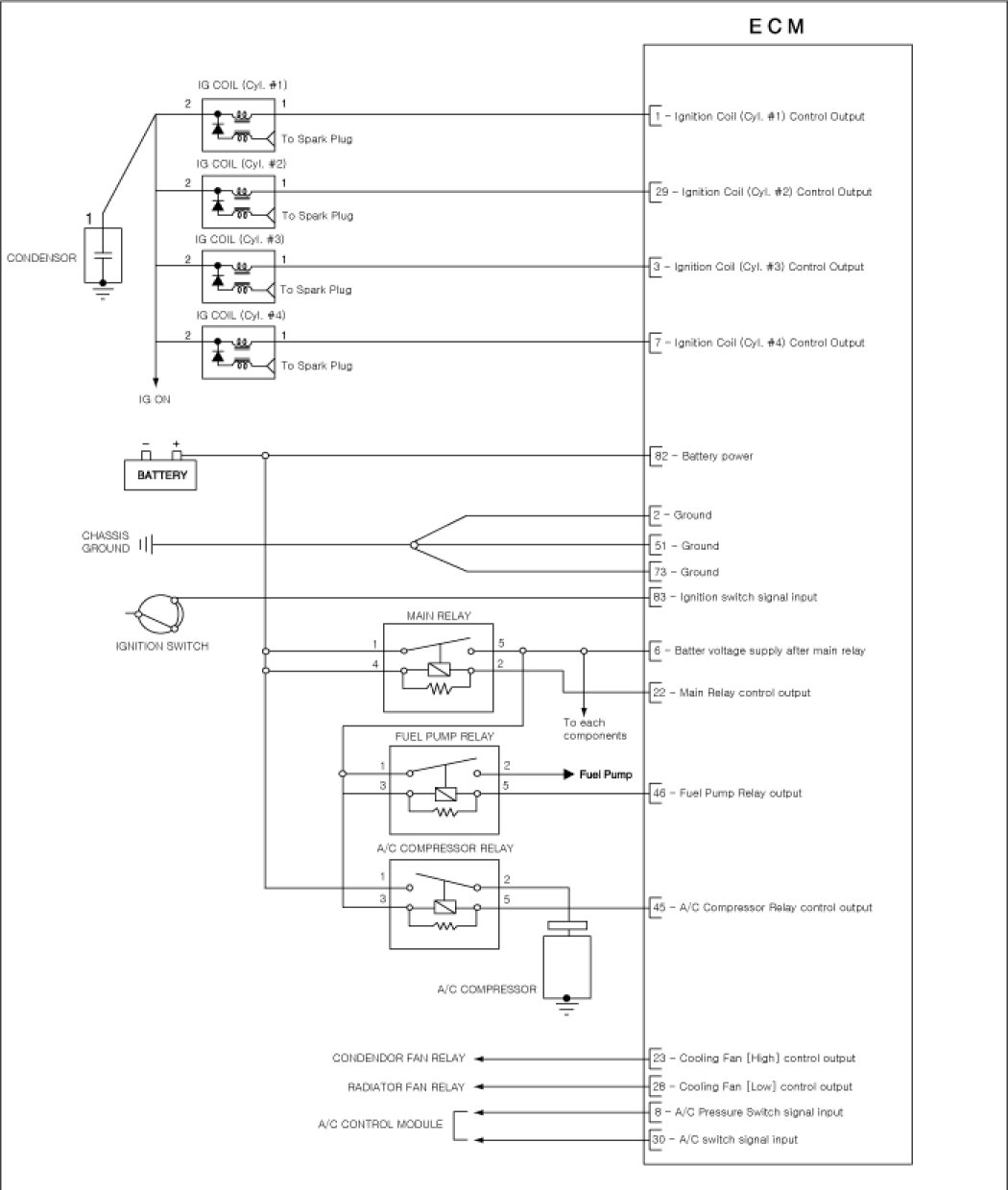
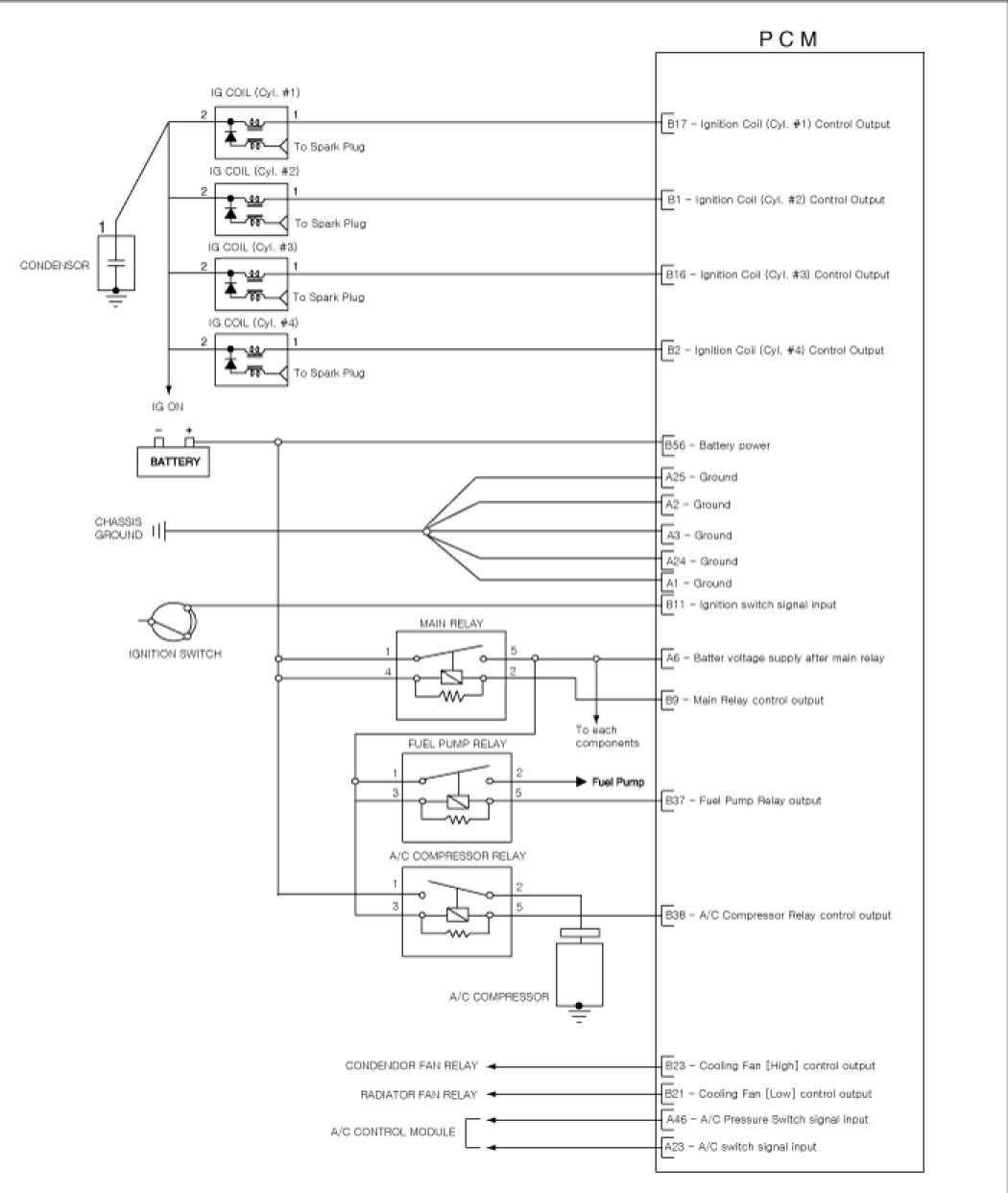
Engine Control Module





CIRCUIT DIAGRAM

[A/T]


















[M/T]